放置尺寸

在此练习中,我们使用常规的“尺寸”命令。Autodesk Inventor 还提供了本教程中所未涉及的某些特有尺寸标注命令。当您继续时,您可能认为对放置的尺寸(或其他标注)不太满意。若要删除已放置的尺寸或标注,请选择快速访问工具栏上的“撤消”命令。您还可以选择该尺寸,按 Del 键;或单击鼠标右键,从显示的关联菜单中选择“删除”

注: 以下步骤假设您已按照本教程的前提条件的要求,取消了对“应用程序选项”对话框“工程图”选项卡中的“在创建后编辑尺寸”的选择。如果没有取消,则在单击放置每个尺寸后将看到显示的“编辑”对话框。您可以继续学习本教程而不更改默认设置,方法是在此对话框显示时始终单击“确定”。但是,我们建议您更改默认设置。
  1. 在功能区上,单击 “标注”选项卡 “尺寸”面板 “尺寸” .
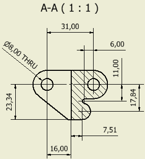
  2. 将光标移动到剖视图中最左侧孔上的竖直中心标记的顶部边界。
  3. 当显示两个绿色实心圆且亮显竖直线时,单击以选择中心标记的竖直线作为尺寸的左侧边界。
  4. 将光标移动到剖视图中最右侧孔上的竖直中心标记的顶部边界。
  5. 当显示两个绿色实心圆且亮显竖直线时,单击以选择中心标记的竖直线作为尺寸的右侧边界。
  6. 请注意,当您移动光标时,尺寸延伸线也会调整。单击以定位尺寸。

    虽然您已放置单个尺寸,但“尺寸”命令仍然处于激活状态。

  7. 将光标移动到剖视图中最左侧孔上的竖直中心标记的底部边界。
  8. 当显示两个绿色实心圆且亮显竖直线时,单击以选择中心标记的竖直线作为尺寸的左侧边界。
  9. 将光标移动到表示切割材料的竖直线的底部边界。
  10. 要选择尺寸的右边界,请在亮显该线且显示绿色实心圆时单击鼠标。
  11. 移动光标以选择某个位置,然后单击以放置 16 mm 的尺寸。
  12. 继续在剖视图、前视图、左视图和俯视图上放置水平和竖直尺寸。单击 Esc 键以终止尺寸命令。
  13. 放置若干尺寸后,您可以决定是否移动尺寸。没有激活任何命令时,请将光标移动到您要移动的尺寸值上。当尺寸亮显时,请单击尺寸值并将其(向上/下,或向左/右)拖动到新位置。您还可以单击并拖动任意绿色实心圆的编辑控制柄,进行其他尺寸编辑。

上一页 | 下一页