修改 iFeature 文件

在教程的下一部分中,要将您刚创建的 iFeature 转换为表驱动 iFeature。这将放置不同尺寸的 T 形槽。您将编辑表格定义,以便包含各种尺寸参数。放置过程中,还要添加用来选择某一尺寸齿槽的键。

  1. 打开文件 tutorial_TSlot.ide
    注: 由于您刚将文件保存到“齿槽”文件夹中,因此当您选择“打开”时,应激活该位置。如果该位置未激活,则可以在 ...\Autodesk\Inventor LT [版本]\Tutorial Files\iFeatures 中找到该文件的备份副本。

    存储在文件中的 iFeature 具有 *.IDE 的文件扩展名。其包含代表要添加(或削减)的特征的几何图元。tutorial_TSlot 文件包含代表切割拉伸的黑色曲面。请勿使用“iFeature 编写器表”对模型特征做任何编辑。

    将显示包含“iFeature”面板的功能区选项卡。

  2. 在功能区上,单击 “iFeature”选项卡 “iFeature”面板 “iFeature 编写器表”
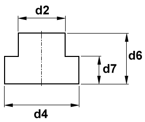
  3. 在“iFeature 编写器”对话框靠下的部分中,在 12 mm 参数左侧单元中的 1 上单击鼠标右键。从关联菜单中选择“插入行”
  4. 将新行的值设为 d2 = 14 mmd4 = 22 mmd6 = 16 mmd7 = 9 mm
  5. 另外添加两行。将第一行的值设为 d2 = 18 mmd4 = 29 mmd6 = 19 mmd7 = 11 mm。将第二行的值设为 d2 = 22 mmd4 = 35 mmd6 = 25 mmd7 = 14 mm

    对话框中的参数表部分的显示应如下所示。

  6. 在“iFeature 编写器”对话框中单击“其他”选项卡,然后单击文本“单击此处以添加值”
  7. “名称”列中,单击“新项目 0”,并将该文本更改为“大小”
  8. “提示”列中,单击“输入新项目 0”,并将该文本更改为“选择大小”
  9. 单击“大小”左边灰色的键形图标。请注意,该图标将更改为蓝色,并在“大小”列标题中出现一个蓝色的键图标,该列标题现已包含在对话框的参数表部分中。
  10. 为参数表中的每行编辑“大小”键值,如下所示:
      用于行 1 的值: M10x1.5
      用于行 2 的值: M12x1.75
      用于行 3 的值: M16x2.0
      用于行 4 的值: M20x2.5
    注: 公制 T 形螺母是由齿槽尺寸和螺纹孔的螺纹规格共同规定的。之前输入的“大小”值是一个 T 形槽尺寸的螺纹规则。并非所有的齿槽尺寸都包括在本教程提供的值中。
  11. 单击“确定”保存添加到 iFeature 定义的行和键列。
  12. 保存关闭 tutorial_TSlot.ide。

上一页 | 下一页