拉伸选定的几何图元。与选定的几何图元关联的约束会影响拉伸操作。
- 单击
“草图”选项卡
“修改”面板
“拉伸”
。将打开“拉伸”对话框,其中“选择”命令已启用。
- 在图形窗口中,选择几何图元,或使用选择窗口选择若干组几何图元。单击鼠标右键,选择“继续”以关闭“选择”命令,然后在“拉伸”对话框中激活“基准点”。
提示: 如果只需在选择中心点之前选择一个几何图元,请使用“优化单个选择”。然后,在选择第一个几何图元之后,“基准点”命令将自动激活。
- 选择一种方法来定义拉伸操作的基准点和端点:
使用指针进行拉伸
- 若要设定拉伸操作的基准点,请在图形窗口中单击。动态预览将以虚线表示原始几何图元,以实线表示旋转几何图元。选定的几何图元将按照所选基准点定义的固定偏移量随指针进行拉伸。
- 在图形窗口中拖动指针。无需按住鼠标按键。移动指针时,状态栏会显示其绝对草图坐标。新位置和形状将动态更新。
提示: 将指针拖至近似的位置时,端点将捕捉到最近的竖直轴或水平轴。若要替代此捕捉功能,请在拖动时按住
Ctrl 键,或在“应用程序选项”

“草图”选项卡中,清除“捕捉到网格”。
- 如果约束阻止拉伸操作,请单击“更多”
,然后设定替代以释放尺寸约束或打断几何约束。
- 单击以设置端点。
提示: 单击 Backspace 以重设端点。
使用精确输入进行拉伸
- 若要打开“精确输入”工具栏,请选中“精确输入”复选框。
- 输入基准点的坐标并按 Enter 键。动态预览将以虚线表示原始几何图元,以实线表示旋转几何图元。选定的几何图元将按照所选基准点定义的固定偏移量随指针进行拉伸。状态栏将显示指针的绝对草图坐标。
- 如果约束阻止拉伸操作,请单击“更多”
,然后设定替代以释放尺寸约束或打断几何约束。
- 在“精确输入”工具栏中输入端点坐标,然后按 Enter键。
提示: 可以使用“精确输入”工具栏将指针的移动约束为特定的 X 或 Y 值。例如,如果在“X”字段中输入 6.5,则可以在 X 限制到 6.5 的情况下在 Y 方向上拖动指针。之后,您可以在“Y”字段中输入值或在图形窗口中单击以设定点。
提示: 单击 Backspace 以重设端点。
- 单击鼠标右键并选择“完毕”,或在对话框中单击“完毕”,或按 Esc 键。
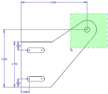
拉伸示例
“拉伸”命令处于激活状态,且已通过窗口选择方法选择了两条直线和连接圆弧。
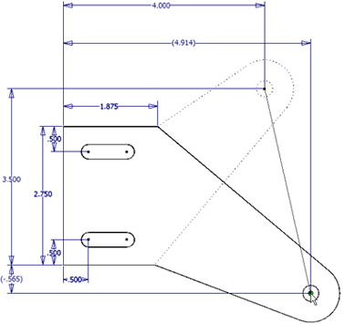
已在图形窗口中选择了几何图元,并在“拉伸”对话框中选择了基准点。该几何图元将拉伸到其新位置。将放宽所有必要的尺寸。原始尺寸将正常显示,新尺寸将显示在圆括号中。仅更改了两个尺寸。点线标识了几何图元的原始位置。