循环管道大小调整示例

以下图像显示各种循环管道大小调整方法的结果。

仅限摩擦

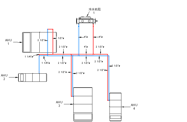
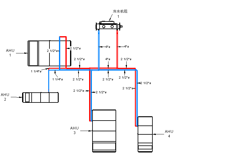
调整大小之前

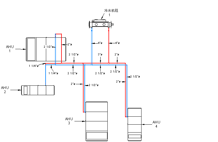
调整大小之后

仅限速度

调整大小之前

调整大小之后

摩擦和速度

调整大小之前

调整大小之后

更大连接件或计算

调整大小之前

调整大小之后

使连接件与管道大小匹配

调整大小之前

调整大小之后