修改 iFeature 檔

在此自學課程接下來的部分中,您可以將您剛剛建立的 iFeature 轉換為表格驅動式 iFeature。它將放置不同大小的 T 型插槽。您將編輯表格定義以包含各種大小的參數。您還將加入一個關鍵欄,以用於在放置期間選取特定大小的插槽。

  1. 開啟檔案 tutorial_TSlot.ide
    註: 由於您剛將檔案儲存至 Slots 資料夾,因此選取「開啟」時,該位置處於作用中狀態。如果不是這樣,則可以在以下位置找到檔案的備份複本:...\Autodesk\Inventor LT [版本]\Tutorial Files\iFeatures

    iFeature 儲存在副檔名為 *.IDE 的檔案中。它們包含表示將加入 (或去掉) 的特徵的幾何圖形。tutorial_TSlot 檔案包含表示切割擠出的黑色曲面。您不會使用「iFeature 建立表格」對模型特徵進行任何編輯。

    會顯示包含「iFeature」面板的功能區頁籤。

  2. 在功能區中,按一下 「iFeature」頁籤 「iFeature」面板 「iFeature 建立表格」
  3. 在「iFeature 建立」對話方塊下部 12-mm 參數左側儲存格中的 1 上按一下右鍵。從關聯式功能表中選取「插入列」
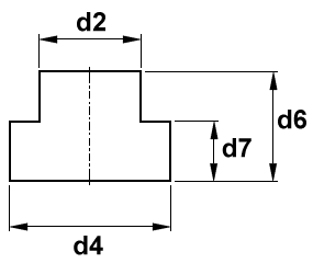
  4. 將新列的值設定為 d2 = 14 mmd4 = 22 mmd6 = 16 mmd7 = 9 mm
  5. 加入兩個其他列。將第一列的值設定為 d2 = 18 mmd4 = 29 mmd6 = 19 mmd7 = 11 mm。將第二列的值設定為 d2 = 22 mmd4 = 35 mmd6 = 35 mmd7 = 14 mm

    對話方塊的參數表格部分應如下所示。

  6. 在「iFeature 建立」對話方塊中按一下「其他」頁籤,然後按一下文字「在此按一下以加入值」
  7. 「名稱」欄中,按一下「新項目 0」,並將文字變更為「大小」
  8. 「提示」欄中,按一下「輸入新項目 0」,然後將文字變更為「選取大小」
  9. 按一下「大小」左側的灰色鑰匙形圖示。請注意,該圖示變更為藍色,且現在已包括在對話方塊參數表格部分的「大小」欄標頭中會顯示一個藍色鑰匙圖示。
  10. 編輯參數表格中每一列的「大小」關鍵值:
      列 1 的值: M10x1.5
      列 2 的值: M12x1.75
      列 3 的值: M16x2.0
      列 4 的值: M20x2.5
    註: 攻牙孔的插槽標註和螺紋大小均可指定公制 T 型螺帽。先前輸入的「大小」值是一個 T 形插槽大小的螺紋稱號。此自學課程中的值不涵蓋所有的插槽大小。
  11. 按一下「確定」將加入的列和主鍵欄儲存到 iFeature 定義中。
  12. 儲存關閉 tutorial_TSlot.ide。

上一頁 | 下一頁