Změna souboru iPrvku

V další části výukového programu převedete iPrvek, který jste právě vytvořili, na iPrvek řízený tabulkou. Ten umožní umísťování drážek T různých rozměrů. Definici tabulky upravíte tak, aby obsahovala různé parametry velikosti. Doplníte rovněž klíč, který během umístění použijete k výběru drážky určitého rozměru.

  1. Otevřete soubor tutorial_TSlot.ide.
    Poznámka: Protože jste právě uložili soubor do složky Slots, mělo by být po kliknutí na položku Otevřít aktivní právě toto umístění. Pokud není, nachází se záložní kopie souboru v umístění ...\Autodesk\Inventor [verze]\Tutorial Files\iFeatures.

    iPrvky jsou ukládány do souborů s příponou IDE. Tyto soubory obsahují geometrii reprezentující prvky, které budou přidávat (nebo odebírat). Soubor tutorial_TSlot obsahuje černé plochy, které představují vysunutí řezu. Pomocí tabulky autora iPrvku nebudete provádět žádné úpravy prvků modelu.

    Zobrazí se pás karet obsahující panel iPrvky.

  2. Přejděte na pás karet a klikněte na kartu iPrvek panel iPrvek Tabulka autora iPrvku.
  3. Klikněte v dolní části dialogu Autor iPrvku pravým tlačítkem na číslici 1 v buňce vlevo od parametru 12 mm. V místní nabídce vyberte položku Vložit řádek.
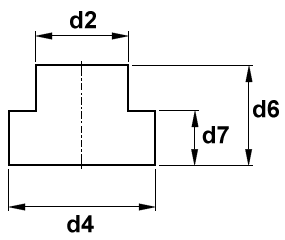
  4. Nastavte hodnoty nového řádku na d2 = 14 mm, d4 = 22 mm, d6 = 16 mm, a d7 = 9 mm.
  5. Přidejte další dva řádky. Nastavte hodnoty prvního řádku na d2 = 18 mm, d4 = 29 mm, d6 = 19 mm, a d7 = 11 mm. Nastavte hodnoty druhého řádku na d2 = 22 mm, d4 = 35 mm, d6 = 25 mm, d7 = 14 mm.

    Část dialogu s tabulkou parametrů by se měla podobat vyobrazení:

  6. Klikněte na kartu Jiné v dialogu Autor iPrvku a poté klikněte na text Chcete-li přidat hodnotu, klikněte zde.
  7. Ve sloupci Název klikněte na položku Nová položka0 a změňte text na Velikost.
  8. Ve sloupci Výzva klikněte na položku Zadat novou položku0 a změňte text na Vybrat velikost.
  9. Klikněte na šedou ikonu klíče vlevo od položky Velikost. Barva ikony se změní na modrou a modrá ikona klíče se zobrazí v záhlaví sloupce Velikost, které je nyní obsaženo v části dialogu s tabulkou parametrů.
  10. Upravte hodnotu klíče Velikost pro všechny řádky tabulky parametrů následujícím způsobem:
      Hodnota řádku 1: M10x1,5
      Hodnota řádku 2: M12x1,75
      Hodnota řádku 3: M16x2,0
      Hodnota řádku 4: M20x2,5
    Poznámka: Metrické matice T jsou označeny jak kótami drážky, tak rozměrem závitu díry se závitem. Hodnota Velikost zadaná dříve představuje označení závitu pro jednu velikost drážky T. K některým velikostem drážek nejsou v tomto výukovém programu přiřazeny hodnoty.
  11. Kliknutím na tlačítko OK uložíte přidané řádky a sloupec klíče do definice iPrvku.
  12. Uložte a uzavřete soubor tutorial_TSlot.ide.

Předchozí | Další