Umístění kót

V tomto výukovém programu použijete příkaz Kóta. Aplikace Autodesk Inventor rovněž poskytuje několik jedinečných příkazů pro kótování, které nejsou zahrnuty v tomto výukovém programu. Během postupu můžete zjistit, že kóta (nebo jiná poznámka), kterou jste umístili, nevyhovuje. Chcete-li již umístěnou kótu nebo poznámku odstranit, použijte na panelu nástrojů Rychlý přístup příkaz Zpět. Můžete také kótu vybrat a stisknout klávesu Delete nebo klikněte pravým tlačítkem a v místní nabídce vyberte možnost Odstranit.

Poznámka: Následující kroky předpokládají, že jste zrušili zaškrtnutí možnosti Upravit kótu po vytvoření na kartě Výkres dialogu Možnosti aplikace tak, jak bylo uvedeno v předpokladech tohoto výukového programu. Pokud jste to neprovedli, zobrazí se po umístění každé kóty dialog Upravit. Ve výukovém programu můžete pokračovat bez změny výchozího nastavení kliknutím na tlačítko OK vždy, když se dialog zobrazí. Doporučujeme však výchozí nastavení změnit.
  1. Přejděte na pás karet a klikněte na kartu Poznámka panel Kóta Kóta .
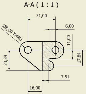
  2. Přesuňte kurzor na horní mez vertikální středové značky na díře nejdále vlevo v pohledu řezu.
  3. Až se zobrazí dvě zeleně vybarvené kružnice a zvýrazní se vertikální čára, kliknutím vyberte vertikální čáru středové značky jako levou mez kóty.
  4. Přesuňte kurzor na horní mez vertikální středové značky na díře nejdále vpravo v pohledu řezu.
  5. Až se zobrazí dvě zeleně vybarvené kružnice a zvýrazní se vertikální čára, kliknutím vyberte vertikální čáru středové značky jako pravou mez kóty.
  6. Povšimněte si, že se vynášecí čáry kóty při pohybu kurzoru upravují. Kliknutím umístěte kótu.

    Přestože jste umístili jednu kótu, příkaz Kóta je stále aktivní.

  7. Přesuňte kurzor na nejnižší mez vertikální středové značky na díře nejdále vlevo v pohledu řezu.
  8. Až se zobrazí dvě zeleně vybarvené kružnice a zvýrazní se vertikální čára, kliknutím vyberte vertikální čáru středové značky jako levou mez kóty.
  9. Přesuňte kurzor na nejnižší mez vertikální čáry, která představuje materiál řezu.
  10. Chcete-li vybrat pravou mez kóty, klikněte, až se čára zvýrazní a zobrazí se zeleně vybarvená kružnice.
  11. Přesuňte kurzor do polohy, kterou chcete vybrat, a kliknutím umístěte kótu 16 mm.
  12. Dále umístěte horizontální a vertikální kóty do pohledu řezu, nárysu a pohledu zleva a shora. Stisknutím klávesy Esc ukončíte příkaz kóty.
  13. Po umístění několika kót se můžete rozhodnout, že některou z nich přesunete. Ujistěte se, že žádný příkaz není aktivní, a přesuňte kurzor na hodnotu kóty, kterou chcete přemístit. Když se kóta zvýrazní, klikněte a přetáhněte hodnotu kóty (nahoru/dolů nebo doleva/doprava) na nové místo. Můžete také kliknutím a tažením kteréhokoliv ze zeleně vyplněných kruhových úchytů pro vést další úpravy kót.

Předchozí | Další