Takto lze prodloužit vybranou geometrii. Operaci prodloužení ovlivňují vazby s vybranou geometrií.
- Klikněte na položku
Náčrt
panel Upravit
Protáhnout
. Otevře se dialog Roztáhnout s aktivovaným příkazem Vybrat.
- V grafickém okně vyberte geometrii nebo pomocí okna výběru vyberte skupiny geometrií. Klikněte pravým tlačítkem a výběrem položky Pokračovat zavřete příkaz Vybrat. V dialogu Roztáhnout aktivujte základní bod.
Tip: Pokud před výběrem středového bodu potřebujete jen jeden výběr geometrie, použijte možnost Optimalizovat pro jednoduchý výběr. V tom případě bude po výběru první geometrie automaticky aktivní příkaz Základní bod.
- Zvolte metodu definování základního a koncového bodu operace prodloužení:
Prodloužení pomocí ukazatele
- Chcete-li nastavit základní bod operace prodloužení, klikněte v grafickém okně. Dynamický náhled zobrazí čárkované čáry, které představují původní geometrii, a plné čáry, které představují otočenou geometrii. Vybraná geometrie se prodlouží s ukazatelem v konstantním odsazení vytvořeném výběrem základního bodu.
- Táhněte ukazatelem v grafickém okně. Tlačítko myši není třeba držet stisknuté. Při přesouvání ukazatele se na stavovém řádku zobrazuje jeho absolutní souřadnice v náčrtu. Nová poloha a tvar se dynamicky aktualizují.
Tip: Při přetažení ukazatele do blízkosti místa se koncový bod přichytí k nejbližší svislé nebo vodorovné ose. Chcete-li tuto funkci přichycení vypnout, podržte při přetažení klávesu
CTRL nebo na kartě Náčrt

v dialogu Možnosti aplikace zrušte zaškrtnutí políčka Přichytit k rastru.
- Pokud operaci prodloužení brání vazby, klikněte na tlačítko Další
a nastavte přepsání, kterými uvolníte rozměrové vazby nebo přerušíte geometrické vazby.
- Kliknutím nastavte koncový bod.
Tip: Kliknutím na tlačítko Backspace koncový bod obnovíte.
Prodloužení pomocí přesného zadání
- Otevřete panel nástrojů Přesné zadání a zaškrtněte políčko Přesné zadání.
- Zadejte souřadnice základního bodu a stiskněte klávesu ENTER. Dynamický náhled zobrazí čárkované čáry, které představují původní geometrii, a plné čáry, které představují otočenou geometrii. Vybraná geometrie se prodlouží s ukazatelem v konstantním odsazení vytvořeném výběrem základního bodu. Stavová lišta zobrazuje absolutní souřadnice náčrtu v místě ukazatele.
- Pokud operaci prodloužení brání vazby, klikněte na tlačítko Další
a nastavte přepsání, kterými uvolníte rozměrové vazby nebo přerušíte geometrické vazby.
- Na panelu nástrojů Přesné zadání zadejte souřadnice koncového bodu a stiskněte klávesu ENTER.
Tip: Pomocí panelu nástrojů Přesné zadání lze pohyb ukazatele svázat s určitou hodnotou souřadnice X nebo Y. Pokud například zadáte do pole X hodnotu 6,5, můžete táhnout ukazatel ve směru Y se souřadnicí X, která má definovanou vazbu 6,5. Poté můžete zadat hodnotu do pole Y, nebo kliknutím do grafického okna nastavit bod.
Tip: Kliknutím na tlačítko Backspace koncový bod obnovíte.
- Klikněte pravým tlačítkem a vyberte možnost Hotovo, klikněte v dialogu na tlačítko Hotovo nebo stiskněte klávesu ESC.
Příklad prodloužení
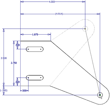
Příkaz Roztáhnout je aktivní a pomocí metody výběru okna jsou vybrány dvě úsečky spojené obloukem.
Geometrie je vybrána v grafickém okně a základní bod je vybrán v dialogu Roztáhnout. Geometrie se prodlouží do nové polohy. Všechny potřebné kóty jsou uvolněny. Původní kóty se zobrazují normálně, nové kóty se zobrazují v závorkách. Změnily se pouze dvě kóty. Tečkované čáry znázorňují původní polohu geometrie.