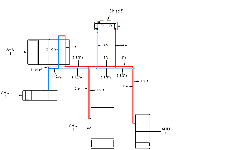
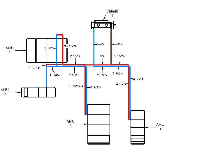
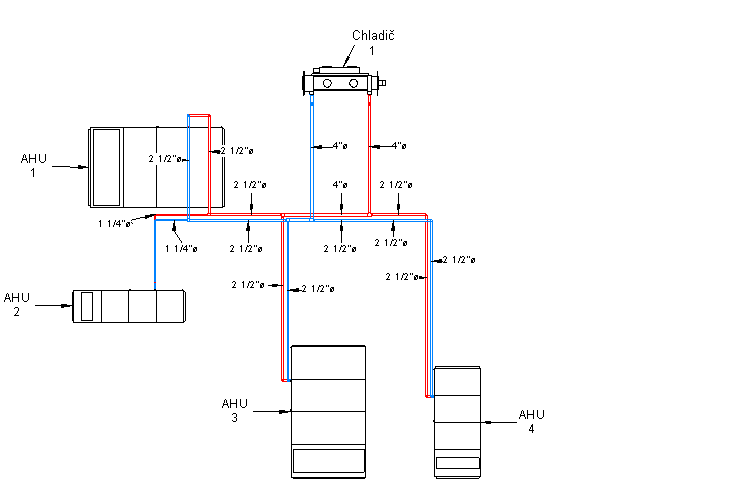
Následující obrázky znázorňují výsledky různých metod dimenzování teplovodního potrubí.

Před dimenzováním

Po dimenzování

Před dimenzováním

Po dimenzování

Před dimenzováním

Po dimenzování

Před dimenzováním

Po dimenzování

Před dimenzováním

Po dimenzování