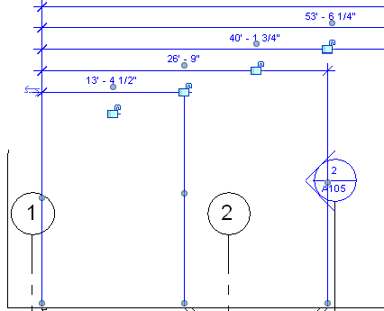
Když jsou kóty zobrazeny tak blízko sebe, že je obtížné je přečíst, můžete přetažením textu od kótovací čáry vylepšit jejich čitelnost. Ovládací prvky textu kóty jsou dostupné pouze u trvalých kót.
- Vyberte kótu.
- Umístěte ukazatel myši na modrý uzel pod textem kóty a přetáhněte text na nové místo.
| Jestliže... |
Postup |
- je vybrána možnost Odkaz a
- hodnota vlastnosti typu příkazu Zobrazit odkaz, když je text posunut je nastavena na Mimo počátek,
|
odkaz se zobrazí okamžitě, když je text posunut. |
- je vybrána možnost Odkaz a
- hodnota vlastnosti typu příkazu Zobrazit odkaz, když je text posunut je nastavena na Mimo vynášecí čáry,
|
odkaz se zobrazí, pokud se text kóty kříží s cestou některé vynášecí kótovací čáry. |
| možnost Odkaz je vypnuta na panelu Možnosti nebo na paletě Vlastnosti, |
nezobrazí se žádné odkazy. |

Příklad: Obloukový odkaz (nastavení Mimo vynášecí čáry)

Příklad: Čárový odkaz (nastavení Mimo počátek)
- Chcete-li text kóty vrátit do původního umístění, přetáhněte uzel zpět směrem ke kótovací čáře, až se přichytí do původního umístění.
Jak obnovit umístění textu všech kót v řetězci
- Klikněte pravým tlačítkem myši na kótovací čáru nebo text kóty požadovaného segmentu.
- Klikněte na položku Obnovit umístění textu kóty.