Ändern der iFeature-Datei

Im nächsten Abschnitt des Lernprogramms konvertieren Sie das soeben erstellte iFeature in ein tabellengesteuertes iFeature. Es werden T-Nute unterschiedlicher Größen platziert. Sie bearbeiten die Tabellendefinition so, dass verschiedene Größenparameter enthalten sind. Sie fügen auch einen Schlüssel hinzu, den Sie für die Auswahl einer Nut einer bestimmten Größe während der Platzierung verwenden.

  1. Öffnen Sie die Datei tutorial_TSlot.ide.
    Anmerkung: Da Sie gerade eine Datei im Ordner Slots gespeichert haben, müsste dieser Speicherort bei Auswahl des Befehls Öffnen aktiv sein. Wenn nicht, steht eine Sicherungskopie der Datei unter ...\Autodesk\Inventor LT [Version]\Tutorial Files\iFeatures zur Verfügung.

    iFeatures werden in Dateien mit der Dateierweiterung *.IDE gespeichert. Sie enthalten Geometrie für die durch sie hinzugefügten (oder subtrahierten) Elemente. Die Datei tutorial_TSlot enthält schwarze Flächen zur Darstellung der Schnittextrusion. Sie nehmen keine Änderungen an Modellelemente mit der iFeature-Generierungstabelle vor.

    Die Registerkarte der Multifunktionsleiste mit der Gruppe iFeature wird angezeigt.

  2. Klicken Sie in der Multifunktionsleiste auf Registerkarte iFeature Gruppe iFeature iFeature-Generierungstabelle.
  3. Klicken Sie im unteren Teil des Dialogfelds iFeature-Generierung in der Zelle links neben dem 12-mm-Parameter mit der rechten Maustaste auf 1. Wählen Sie im Kontextmenü Zeile einfügen aus.
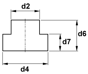
  4. Definieren Sie für die Werte der neuen Zeile Folgendes: d2 = 14 mm, d4 = 22 mm, d6 = 16 mm und d7 = 9 mm.
  5. Fügen Sie zwei weitere Zeilen hinzu. Definieren Sie für die Werte der ersten Zeile Folgendes: d2 = 18 mm, d4 = 29 mm, d6 = 19 mm und d7 = 11 mm. Definieren Sie für die Werte der zweiten Zeile Folgendes: d2 = 22 mm, d4 = 35 mm, d6 = 35 mm, d7 = 14 mm.

    Der Bereich mit der Parametertabelle des Dialogfelds müsste nun der Abbildung entsprechen.

  6. Wählen Sie im Dialogfeld iFeature-Generierung die Registerkarte Sonstiges, und klicken Sie dann auf den Text Klicken zum Hinzuf. eines Werts.
  7. Klicken Sie in der Spalte Name auf Neues Element0, und ändern Sie den Text auf Größe.
  8. Klicken Sie in der Spalte Eingabeaufforderung auf Neues Element0 eingeben, und ändern Sie den Text zu Größe auswählen.
  9. Klicken Sie auf das graue Schlüsselsymbol links neben Größe. Beachten Sie, dass sich die Farbe des Symbols in Blau ändert und dass in der Überschrift der Spalte Größe nun ein blaues Schlüsselsymbol angezeigt wird, die der Parametertabelle im Dialogfeld hinzugefügt wurde.
  10. Bearbeiten Sie den Schlüsselwert unter Größe für alle Zeilen in der Parametertabelle wie folgt:
      Wert für Spalte 1: M10x1.5
      Wert für Spalte 2: M12x1.75
      Wert für Spalte 3: M16x2.0
      Wert für Spalte 4: M20x2.5
    Anmerkung: Metrische T-Nuten werden durch die Nutbemaßungen und die Größe der Gewindebohrung definiert. Der weiter oben unter Größe eingegebene Wert dient als Gewindebezeichnung für eine T-Nut-Größe. Durch die in diesem Lernprogramm eingegebenen Werte werden nicht alle Nutgrößen abgedeckt.
  11. Klicken Sie auf OK, um die hinzugefügten Zeilen und die Schlüsselspalte in der iFeature-Definition zu speichern.
  12. Speichern und schließen Sie die Datei tutorial_TSlot.ide.

Zurück | Weiter