Positionieren von Bemaßungen

In dieser Übung verwenden Sie den allgemeinen Befehl Bemaßung. Autodesk Inventor LT bietet zusätzlich noch einige spezifische Bemaßungsbefehle, die in diesem Lernprogramm nicht erläutert werden. Im weiteren Verlauf Ihrer Arbeit stellen Sie möglicherweise fest, dass eine eingefügte Bemaßung (oder ein anderer Kommentar) nicht Ihren Vorstellungen entspricht. Zum Löschen einer bereits platzierten Bemaßung oder Anmerkung wählen Sie den Befehl Rückgängig aus dem Schnellzugriff-Werkzeugkasten. Sie können auch die Bemaßung auswählen und die ENTF-Taste drücken, oder aber mit der rechten Maustaste klicken und im angezeigten Kontextmenü den Befehl Entfernen wählen.

Anmerkung: Für die nachfolgenden Schritte wird angenommen, dass Sie die Option Bemaßung nach Erstellung bearbeiten auf der Registerkarte Zeichnung des Dialogfelds Anwendungsoptionen deaktiviert haben, wie in den Voraussetzungen für dieses Lernprogramm dargestellt. Ist dies nicht der Fall, wird ein Bearbeitungsdialogfeld geöffnet, nachdem Sie zum Platzieren der einzelnen Bemaßungen geklickt haben. Sie können mit diesem Lernprogramm fortfahren, ohne die Standardeinstellungen zu ändern, indem Sie immer auf OK klicken, wenn dieses Dialogfeld eingeblendet wird. Nach Möglichkeit sollten Sie diese Standardeinstellung jedoch ändern.
  1. Klicken Sie in der Multifunktionsleiste auf Registerkarte Mit Anmerkung versehen Gruppe Bemaßung Bemaßung .
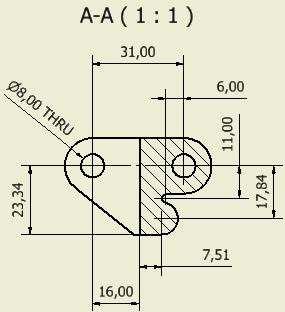
  2. Verschieben Sie den Cursor auf den obersten Punkt der vertikalen Mittelpunktmarkierung auf der in der Schnittansicht ganz links befindlichen Bohrung.
  3. Nachdem die beiden gefüllten grünen Kreise eingeblendet wurden und die vertikale Linie hervorgehoben wurde, klicken Sie, um die vertikale Linie der Mittelpunktmarkierung als linke Ausdehnung Ihrer Bemaßung auszuwählen.
  4. Verschieben Sie den Cursor auf den obersten Punkt der vertikalen Mittelpunktmarkierung auf der in der Schnittansicht ganz rechts befindlichen Bohrung.
  5. Nachdem die beiden gefüllten grünen Kreise eingeblendet wurden und die vertikale Linie hervorgehoben wurde, klicken Sie, um die vertikale Linie der Mittelpunktmarkierung als rechte Ausdehnung Ihrer Bemaßung auszuwählen.
  6. Beachten Sie, dass während des Verschiebens des Cursors die Bemaßungsausdehnungslinien angepasst werden. Klicken Sie, um die Bemaßung zu platzieren.

    Auch nachdem Sie eine einzelne Bemaßung platziert haben, bleibt der Befehl Bemaßung aktiv.

  7. Verschieben Sie den Cursor auf den untersten Punkt der vertikalen Mittelpunktmarkierung auf der in der Schnittansicht ganz links befindlichen Bohrung.
  8. Nachdem die beiden gefüllten grünen Kreise eingeblendet wurden und die vertikale Linie hervorgehoben wurde, klicken Sie, um die vertikale Linie der Mittelpunktmarkierung als linke Ausdehnung Ihrer Bemaßung auszuwählen.
  9. Verschieben Sie den Cursor auf den untersten Punkt der vertikalen Linie, die das Schnittmaterial darstellt.
  10. Klicken Sie zum Auswählen der rechten Ausdehnung der Bemaßung, wenn die Linie markiert wird und der gefüllte grüne Kreis erscheint.
  11. Verschieben Sie den Cursor, um eine Position auszuwählen, und klicken Sie anschließend, um die Bemaßung 16 mm einzufügen.
  12. Fügen Sie weitere horizontale und vertikale Bemaßungen in Schnitt-, Vorder-, Links- und Draufsicht ein. Drücken Sie die ESC-Taste, um den Bemaßungsbefehl zu beenden.
  13. Nach dem Einfügen mehrerer Bemaßungen möchten Sie möglicherweise eine Bemaßung verschieben. Verschieben Sie den Cursor ohne aktivierten Befehl auf einen zu verschiebenden Bemaßungswert. Wenn die Bemaßung hervorgehoben wird, klicken Sie, und ziehen Sie den Bemaßungswert (nach oben/unten oder nach links/rechts) an die neue Position. Sie können auch klicken und einen der grünen kreisförmigen Bearbeitungsgriffe ziehen, um andere Änderungen an den Bemaßungen vorzunehmen.

Zurück | Weiter