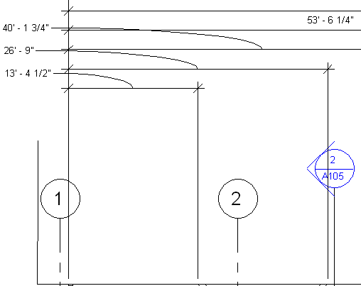
Wenn Sie Bemaßungen zeigen, die so nahe beieinander sind, dass Sie nur schwer lesbar sind, können Sie den Text von der dazugehörigen Bemaßungslinie wegziehen, um die Darstellung klarer zu gestalten. Steuerelemente für Bemaßungstext sind nur für permanente Bemaßungen verfügbar.

| Voraussetzung | Vorgang |
|---|---|
|
Die Führungslinie wird sofort angezeigt, wenn der Text verschoben wird. |
|
Die Führungslinie wird angezeigt, wenn der Bemaßungstext den Pfad der Maßhilfslinien der Bemaßung kreuzt. |
| Die Option Führungslinie ist in der Optionsleiste oder Eigenschaftenpalette deaktiviert. | Keine Führungslinie wird angezeigt. |

Beispiel: Bogenführung (Einstellung Jenseits der Maßhilfslinien)

Beispiel: Führungslinie (Einstellung Nicht am Ursprung)
So setzen Sie die Position aller Bemaßungstexte in der Kette zurück