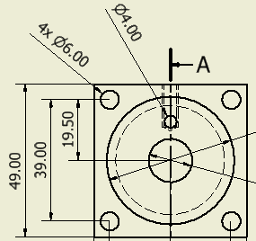
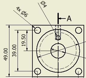
In some cases, the appearance of certain annotations is wrong, and you do not want all the annotations to have this appearance. In this topic, you create a style that hides trailing zeros.

Display panel, clear the selection of Trailing Zeros. Click Save, and Done.
Format panel
Style List, click Modified - No Trailing Zeros (ISO). 