Modificación del archivo de iFeature

En la siguiente sección del aprendizaje, convertiremos la iFeature que acaba de crear en una iFeature vinculada a tabla. Esta iFeature insertará ranuras en T de distintos tamaños. Editará la definición de la tabla para que contenga los parámetros correspondientes a los distintos tamaños. También añadirá una clave que se puede usar para seleccionar una ranura de un tamaño concreto durante la inserción.

  1. Abra el archivo tutorial_TSlot.ide.
    Nota: Puesto que acaba de guardar un archivo en la carpeta Slots, la ubicación probablemente estará activa al seleccionar Abrir. Si no es así, se puede encontrar una copia de seguridad del archivo en ...\Autodesk\Inventor [versión]\Tutorial Files\iFeatures.

    Las iFeatures se almacenan en archivos con la extensión *.IDE. Contienen geometría que representa las operaciones que van a añadir (o sustraer). El archivo tutorial_TSlot contiene superficies de color negro que representan la extrusión del corte. Las operaciones del modelo no se modifican usando la Tabla de creación de iFeature.

    Aparece la ficha de la cinta de opciones que contiene el panel iFeature.

  2. En la cinta de opciones, pulse ficha iFeature panel iFeature Tabla de creación de iFeature.
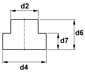
  3. Pulse con el botón derecho del ratón en el 1 que aparece en la celda a la izquierda del parámetro 12 mm en la parte inferior del cuadro de diálogo Autor de iFeature. Seleccione Insertar fila en el menú contextual.
  4. Defina los valores de la fila nueva para d2 = 14 mm, d4 = 22 mm, d6 = 16 mmy d7 = 9 mm.
  5. Añada dos filas adicionales. Establezca los valores de la primera fila para d2 = 18 mm, d4 = 29 mm, d6 = 19 mmy d7 = 11 mm. Establezca los valores de la segunda fila para d2 = 22 mm, d4 = 35 mm, d6 = 25 mm, d7 = 14 mm.

    La sección de la tabla de parámetros del cuadro de diálogo debe coincidir con la de la ilustración.

  6. Haga clic en la ficha Otros en el cuadro de diálogo Autor de iFeature y, a continuación, haga clic en el texto Haga clic aquí para añadir el valor.
  7. En la columna Nombre, haga clic en Nuevo elemento0 y cambie el texto a Tamaño.
  8. En la columna Solicitud, haga clic en Introduzca Nuevo elemento0 y cambie el texto a Seleccionar tamaño.
  9. Pulse el icono de llave gris situado a la izquierda de Tamaño. Observe que el icono cambia a color azul y que se muestra un icono de llave azul en el encabezado de la columna Tamaño que se incluye en la sección de la tabla de parámetros del cuadro de diálogo.
  10. Modifique el valor de la clave de Tamaño para cada una de las filas de la tabla de parámetros de la siguiente manera:
      Valor para la fila 1: M10x1.5
      Valor para la fila 2: M12x1.75
      Valor para la fila 3: M16x2.0
      Valor para la fila 4: M20x2.5
    Nota: Las cotas de la ranura y el tamaño de la rosca del agujero roscado designan las tuercas en T métricas. El valor de Tamaño introducido previamente es la designación de la rosca para un tamaño de ranura en T. Los valores incluidos en este aprendizaje no cubren todos los tamaños de ranura.
  11. Pulse Aceptar para guardar las filas y la columna de clave añadidas en la definición de la iFeature.
  12. Guarde y cierre la pieza tutorial_TSlot.ide.

Anterior | Siguiente