Inserción de cotas

En este ejercicio, se utiliza el comando Cota general . Autodesk Inventor incluye también otros comandos de acotación únicos que no se describen en este aprendizaje. A medida que avance, es posible que decida que una de las cotas (o anotaciones) insertadas no le satisface. Para suprimir una cota o una anotación que ya se ha colocado, seleccione el comando Deshacer en la barra de herramientas de acceso rápido. También puede seleccionar la cota y pulsar Suprimir o pulsar con el botón derecho y seleccionar Suprimir en el menú contextual mostrado.

Nota: En los siguientes pasos se presupone que se ha cancelado la selección de Editar cota al crearla en la ficha Dibujo del cuadro de diálogo Opciones de aplicación, como se indica en los requisitos previos de este aprendizaje. Si no lo ha hecho, verá un cuadro de diálogo de edición que se muestra después de pulsar para insertar cada cota. Si desea continuar este aprendizaje sin cambiar la configuración por defecto, pulse siempre Aceptar cuando se abra este cuadro de diálogo. Sin embargo, es aconsejable cambiar los ajustes por defecto.
  1. En la cinta de opciones, pulse ficha Anotar panel Cota Cota .
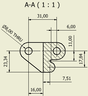
  2. Sitúe el cursor sobre la extensión superior de la marca de centro vertical del agujero del extremo izquierdo de la vista seccionada.
  3. Cuando aparecen los dos círculos de color verde y la línea vertical se muestra resaltada, pulse para seleccionar la línea vertical de la marca de centro como extensión izquierda de la cota.
  4. Sitúe el cursor sobre la extensión superior de la marca de centro vertical del agujero del extremo derecho de la vista seccionada.
  5. Cuando aparecen los dos círculos de color verde y la línea vertical se muestra resaltada, pulse para seleccionar la línea vertical de la marca de centro como extensión derecha de la cota.
  6. Cuando se desplaza el cursor, las líneas de referencia de la cota se ajustan. Pulse para situar la cota.

    Aunque solo ha insertado una cota, el comando Cota sigue activo.

  7. Sitúe el curso sobre la extensión inferior de la marca de centro vertical del agujero del extremo izquierdo de la vista seccionada.
  8. Cuando aparecen los dos círculos de color verde y la línea vertical se muestra resaltada, pulse para seleccionar la línea vertical de la marca de centro como extensión izquierda de la cota.
  9. Sitúe el cursor sobre la extensión inferior de la línea vertical que representa el material de corte.
  10. Para seleccionar la extensión derecha de la cota, pulse cuando la línea se muestre resaltada y aparezca el círculo de color verde.
  11. Desplace el cursor para seleccionar una posición y pulse para insertar la cota de 16 mm.
  12. Siga insertando cotas horizontales o verticales en las vistas seccionada, frontal, izquierda y superior. Pulse la tecla Esc para finalizar el comando de cota.
  13. Después de insertar varias cotas, es posible que decida desplazar una de ellas. Sin activar ningún comando, sitúe el cursor sobre el valor de la cota que desea desplazar. Cuando se resalte la cota, pulse y arrastre el valor de la cota (arriba y abajo o a izquierda y derecha) a una nueva ubicación. También puede pulsar y arrastrar cualquiera de los controladores de edición con un círculo verde para realizar otras ediciones en la cota.

Anterior | Siguiente