Estire la geometría seleccionada. Las restricciones asociadas a la geometría seleccionada afectan a la operación de estiramiento.
- Pulse
ficha Boceto
panel Modificar
Estirar
. Aparecerá el cuadro de diálogo Estirar con el comando Seleccionar activado.
- En la ventana gráfica, seleccione la geometría o seleccione grupos de geometría con la ventana de selección. Pulse con el botón derecho del ratón y elija Continuar para cerrar el comando Seleccionar y active la opción Punto base en el cuadro de diálogo Estirar.
Consejo: Si solo se requiere una selección de geometría antes de la selección del centro, Utilice Optimizar para selección única. A continuación, el comando Punto base se activa automáticamente después de seleccionar la primera geometría.
- Seleccione un método para definir el punto base y el punto final de la operación de estiramiento:
Estiramiento con el puntero
- Para establecer el punto base de la operación de estiramiento, haga clic en la ventana gráfica. Una vista preliminar dinámica muestra líneas de trazos que representan la geometría original y líneas sólidas que representan la geometría girada. La geometría seleccionada se estira con el puntero en un desfase constante que la selección del punto base establece.
- Arrastre el puntero en la ventana gráfica. No es necesario mantener pulsado el botón del ratón. A medida que se mueve el puntero, la barra de estado muestra las coordenadas de boceto absolutas. La nueva posición y la forma se actualizan de forma dinámica.
Consejo: Cuando arrastra el puntero hasta la posición deseada aproximada, el punto final se ajusta al eje vertical u horizontal más próximo. Para anular esta operación de forzado, mantenga pulsada la tecla
Ctrl mientras arrastra la selección, o bien, en Opciones de aplicación

ficha Boceto, desactive la opción Forzar objetos a rejilla.
- Si las restricciones impiden la operación de estiramiento, haga clic en Más
y defina anulaciones para relajar las restricciones de acotación o para romper las geométricas.
- Pulse para definir el punto final.
Consejo: Haga clic en Retroceso para restablecer el punto final.
Estiramiento mediante coordenadas precisas
- Para abrir la barra de herramientas Coordenadas precisas, seleccione la casilla de verificación Entrada de coordenadas.
- Introduzca las coordenadas del punto base y pulse la tecla Intro. Una vista preliminar dinámica muestra líneas de trazos que representan la geometría original y líneas sólidas que representan la geometría girada. La geometría seleccionada se estira con el puntero en un desfase constante que la selección del punto base establece. La barra de estado muestra las coordenadas de boceto absolutas del puntero.
- Si las restricciones impiden la operación de estiramiento, haga clic en Más
y defina anulaciones para relajar las restricciones de acotación o para romper las geométricas.
- En la barra de herramientas Entrada de coordenadas, introduzca las coordenadas del punto final y pulse la tecla Intro.
Consejo: Puede utilizar la barra de herramientas Coordenadas precisas para restringir el movimiento del puntero a un valor de X e Y concreto. Por ejemplo, si introduce 6,5 en el campo X, puede arrastrar el puntero en la dirección de Y con X restringida en 6,5. A continuación, puede introducir un valor en el campo Y o hacer clic en la ventana gráfica para definir el punto.
Consejo: Pulse Retroceso para restablecer el punto final.
- Haga clic con el botón derecho y seleccione Terminar, pulse Terminar en el cuadro de diálogo, o bien pulse la tecla Esc.
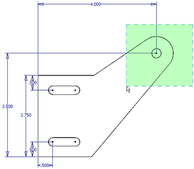
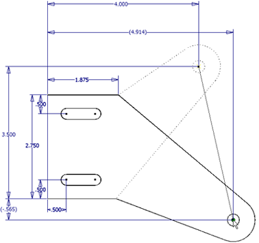
Ejemplo de estiramiento
El comando Estirar se activa, y las dos líneas y el arco de conexión se seleccionan con el método de selección de ventana.
La geometría se selecciona en la ventana gráfica y el punto base en el cuadro de diálogo Estirar. La geometría se estira hasta su nueva posición. Se relajan todas las cotas necesarias. Las cotas originales se muestran normalmente y las nuevas se muestran entre paréntesis. Solo han cambiado dos de las cotas. La posición original de la geometría se muestra con líneas de puntos.