Importación de una vista desde otro programa de CAD

Puede importar una vista desde otro programa de CAD y crear un detalle a partir de esa vista.

  1. Haga clic en la ficha Vistagrupo Crear(Vista de diseño).
  2. Asigne un nombre y un valor de escala a la nueva vista de diseño.
  3. Haga clic en la ficha Insertargrupo Importar (Importar CAD).
  4. Seleccione el detalle y el formato CAD.
  5. Seleccione la opción Sólo vista actual, si se encuentra en una vista de detalle.
    Nota: La opción se selecciona automáticamente si se encuentra en una vista de diseño.
  6. Haga clic en Abrir para colocar el detalle CAD.
  7. Arrastre la vista hasta un plano, si lo desea.
  8. Al colocar una llamada o una sección puede hacer referencia a esta vista.

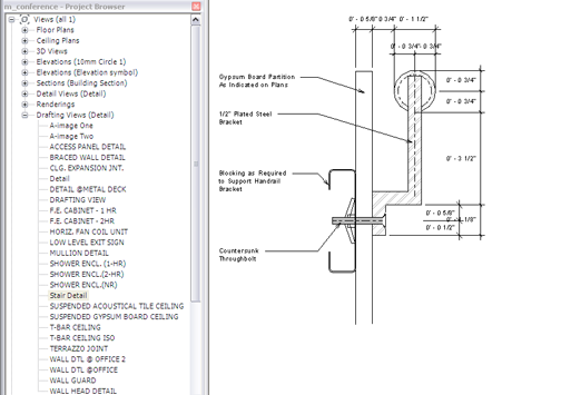
Ejemplo de vista de diseño importado