Modifier le fichier iFonction

Dans la partie suivante du didacticiel, vous allez convertir l'iFonction que vous venez de créer en une iFonction liée à une table. Cela permettra de placer des rainures en T de différentes tailles. Vous allez modifier la définition de la table afin qu'elle contienne les divers paramètres de taille. Vous ajouterez également une valeur d'identifiant qui permettra de sélectionner une rainure d'une certaine taille lors du positionnement.

  1. Ouvrez le fichier tutorial_TSlot.ide.
    Remarque : Etant donné que vous venez d'enregistrer un fichier dans le dossier Slots, cet emplacement doit être actif lorsque vous sélectionnez Ouvrir. Si ce n'est pas le cas, une copie de sauvegarde du fichier est disponible sur ...\Autodesk\Inventor LT [Version]\Tutorial Files\iFeatures.

    Les iFonctions sont stockées dans des fichiers portant l'extension *.IDE. Ces fichiers contiennent la géométrie représentant les fonctions qu'ils ajoutent (ou qu'ils extraient). Le fichier tutorial_TSlot contient des surfaces noires représentant l'extrusion de coupe. Vous n'apportez aucune modification aux fonctions du modèle à l'aide de la table de création d'iFonctions.

    L'onglet du ruban iFonction s'affiche.

  2. Dans le ruban, cliquez sur l'onglet iFonction le groupe de fonctions iFonction Table de création d'iFonctions.
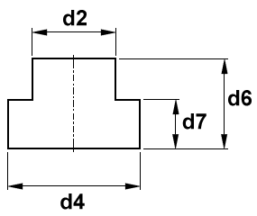
  3. Dans la partie inférieure de la boîte de dialogue Créer une iFonction, cliquez avec le bouton droit de la souris sur le chiffre 1 dans la cellule située à gauche du paramètre 12 mm. Choisissez Insérer une ligne dans le menu contextuel.
  4. Définissez les valeurs suivantes dans la nouvelle ligne : d2 = 14 mm, d4 = 22 mm, d6 = 16 mm et d7 = 9 mm.
  5. Ajouter deux lignes supplémentaires Définir les valeurs de la première ligne : d2 = 18 mm, d4 = 29 mm, d6 = 19 mm et d7 = 11 mm. Définissez les valeurs de la deuxième ligne : d2 = 22 mm, d4 = 35 mm, d6 = 25 mm, d7 = 14 mm.

    La portion réservée à la table des paramètres de votre boîte de dialogue doit apparaître comme illustré :

  6. Cliquez sur l'onglet Autre dans la boîte de dialogue Créer une iFonction, puis cliquez sur le texte Cliquez pour ajouter une valeur.
  7. Dans la colonne Nom, cliquez sur Nouvel élément0 et remplacez le texte par Size.
  8. Dans la colonne Invite, cliquez sur Entrer Nouvel élément0 et remplacez le texte par Select size.
  9. Cliquez sur l'icône représentant une clé grise à gauche du texte Size. L'icône devient bleue et s'affiche également dans l'en-tête de la nouvelle colonne Size de la table des paramètres.
  10. Modifiez la valeur d'identifiant Size dans chacune des lignes de la table des paramètres, comme suit :
      Valeur ligne 1 : M10x1.5
      Valeur ligne 2 : M12x1.75
      Valeur ligne 3 : M16x2.0
      Valeur ligne 4 : M20x2.5
    Remarque : La taille des écrous en T métriques est définie par les cotes de rainure et par la taille du perçage taraudé. La valeur Size saisie précédemment correspond au taraudage pour une taille de rainure en T. Ce didacticiel ne fait référence qu'à quelques tailles de rainure.
  11. Cliquez sur OK pour enregistrer les lignes et la colonne des valeurs d'identifiant ajoutées à votre définition d'iFonction.
  12. Enregistrez et fermez tutorial_TSlot.ide.

Précédent | Suivant