Insertion de cotes

Dans cet exercice, vous allez utiliser la commande générale Cote. Autodesk Inventor LT propose également des commandes de cotation uniques qui ne sont pas traitées dans ce didacticiel. Au cours de votre travail, vous pourriez juger qu'une cote (ou une annotation) préalablement placée ne soit pas satisfaisante. Pour supprimer une cote ou une annotation qui a déjà été placée, sélectionnez la commande Annuler dans la barre d'outils d'accès rapide. Vous pouvez également sélectionner la cote et appuyer sur la touche SUPPR ou cliquer avec le bouton droit de la souris et choisissez Supprimer dans le menu contextuel.

Remarque : Dans les étapes suivantes, on suppose que l'option Modifier la cote une fois créée dans l'onglet Dessin de la boîte de dialogue Options d'application a été désactivée, comme indiqué dans les conditions préalables de ce didacticiel. Si ce n'est pas le cas, une boîte de dialogue Modifier s'affiche après avoir cliqué pour placer chaque cote. Vous pouvez continuer ce didacticiel sans modifier les paramètres par défaut en cliquant toujours sur OK lorsque cette boîte de dialogue s'affiche. Cependant, il convient de modifier les valeurs par défaut.
  1. Dans le ruban, cliquez sur l'onglet Annoter le groupe de fonctions Cote Cote .
  2. Placez le curseur sur le prolongement le plus haut de la marque de centre verticale du perçage situé à l'extrême gauche de la vue en coupe.
  3. Lorsque les deux cercles verts apparaissent et la ligne verticale est mise en surbrillance, cliquez afin de sélectionner la ligne verticale de la marque de centre comme prolongement gauche de la cote.
  4. Placez le curseur sur le prolongement le plus haut de la marque de centre verticale du perçage situé à l'extrême droite de la vue en coupe.
  5. Lorsque les deux cercles verts apparaissent et la ligne verticale est mise en surbrillance, cliquez afin de sélectionner la ligne verticale de la marque de centre comme prolongement de droite de la cote.
  6. Vous noterez que lors du déplacement du curseur, les lignes d'extension de la cote se règlent. Cliquez pour placer la cote.

    Même si vous avez placé une seule cote, la commande Cotation est encore active.

  7. Placez le curseur sur le prolongement le plus bas de la marque de centre verticale du perçage situé à l'extrême gauche de la vue en coupe.
  8. Lorsque les deux cercles verts apparaissent et la ligne verticale est mise en surbrillance, cliquez afin de sélectionner la ligne verticale de la marque de centre comme prolongement de gauche de la cote.
  9. Placez le curseur sur le prolongement le plus bas de la ligne verticale représentant la matière soustraite.
  10. Pour sélectionner le prolongement de droite de la cote, cliquez lorsque la ligne est mise en surbrillance et que le cercle vert apparaît.
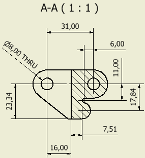
  11. Déplacez le curseur pour sélectionner la position, puis cliquez pour placer la cote de 16 mm.
  12. Continuez à placer les cotes horizontale et verticale sur les vues en coupe, avant, de gauche, et de haut. Appuyez sur la touche ECHAP pour finaliser la commande Cote.
  13. Après avoir placé plusieurs cotes, vous pourriez souhaiter d'en déplacer une. Pour ce faire, veillez à ce qu'aucune commande ne soit active, puis déplacez le curseur sur la valeur de la cote que vous souhaitez déplacer. Lorsque la cote est mise en surbrillance, cliquez et faites glisser la valeur de la cote (vers le haut/bas, ou vers la gauche/la droite) sur un nouvel emplacement. Vous pouvez également cliquer et faire glisser les poignées de modification en forme de cercle vert pour modifier d'autres cotes.

Précédent | Suivant