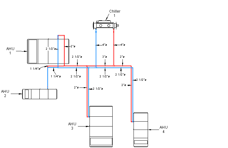
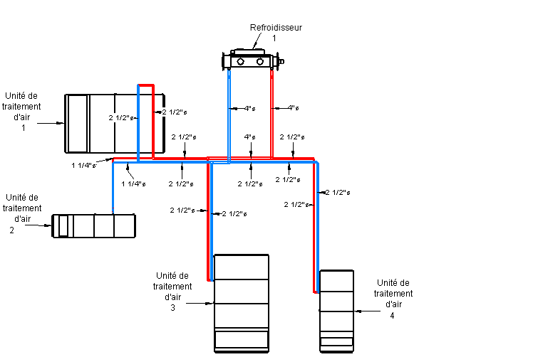
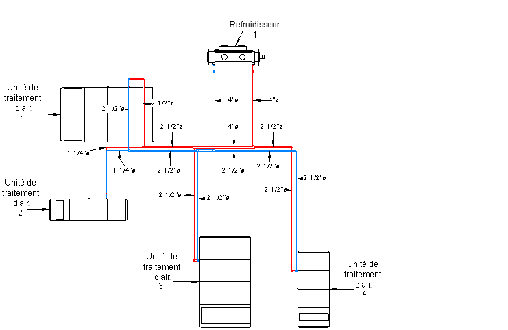
Les images suivantes montrent les résultats des diverses méthodes de dimensionnement de canalisation hydraulique.

Avant dimensionnement

Après dimensionnement

Avant dimensionnement

Après dimensionnement

Avant dimensionnement

Après dimensionnement

Avant dimensionnement

Après dimensionnement

Avant dimensionnement

Après dimensionnement