Allunga la geometria selezionata. I vincoli associati alla geometria selezionata possono avere un impatto sull'operazione di allungamento.
- Fare clic su
scheda Schizzo
gruppo Modifica
Allunga
. Si apre la finestra di dialogo Allunga nella quale è abilitato il comando Seleziona.
- Nella finestra grafica, selezionare la geometria o selezionare gruppi di geometria con la finestra di selezione. Fare clic con il pulsante destro del mouse e scegliere Continua per chiudere il comando Seleziona; si attiva Punto di base nella finestra di dialogo Allunga.
Suggerimento: Qualora si richieda la selezione di una sola geometria prima della selezione del punto centrale, utilizzare Ottimizza per selezione singola. Successivamente, il comando Punto di base si attiva automaticamente dopo la selezione della prima geometria.
- Scegliere un metodo per definire il punto di base e il punto finale dell'operazione di allungamento:
Allungamento con il puntatore
- Per impostare il punto di base per l'operazione di allungamento, fare clic nella finestra grafica. L'anteprima dinamica visualizza linee tratteggiate che rappresentano la geometria originale e linee piene che rappresentano la geometria ruotata. La geometria selezionata si allunga con il puntatore impostato su un offset costante stabilito dalla selezione del punto di base.
- Trascinare il puntatore nella finestra grafica. Non è necessario tenere premuto il pulsante del mouse. Quando si sposta il puntatore, la barra di stato mostra le coordinate di schizzo assolute. La posizione e la forma nuove si aggiornano dinamicamente.
Suggerimento: Mentre si trascina il puntatore nella posizione approssimativa, il punto finale esegue uno snap all'asse verticale o orizzontale più vicino. Affinché non venga eseguito lo snap, tenere premuto il tasto
CTRL durante il trascinamento o deselezionare Snap griglia nelle Opzioni applicazione

scheda Schizzo.
- Se i vincoli impediscono l'allungamento, fare clic su Altro
e impostare delle sostituzioni per distendere i vincoli di quota o interrompere quelli geometrici.
- Fare clic per impostare il punto finale.
Suggerimento: Premere BACKSPACE per ripristinare il punto finale.
Allungamento con input preciso
- Per aprire la barra degli strumenti Input preciso, selezionare la casella di controllo Input preciso.
- Immettere le coordinate del punto di base e premere INVIO. L'anteprima dinamica visualizza linee tratteggiate che rappresentano la geometria originale e linee piene che rappresentano la geometria ruotata. La geometria selezionata si allunga con il puntatore impostato su un offset costante stabilito dalla selezione del punto di base. La barra di stato mostra le coordinate dello schizzo assolute del puntatore.
- Se i vincoli impediscono l'allungamento, fare clic su Altro
e impostare delle sostituzioni per distendere i vincoli di quota o interrompere quelli geometrici.
- Nella barra degli strumenti Input preciso, immettere le coordinate del punto finale e premere INVIO.
Suggerimento: Per vincolare lo spostamento del puntatore ad un valore di X o Y specifico, è possibile utilizzare la barra degli strumenti Input preciso. Ad esempio, se si immette 6.5 nel campo X, è possibile trascinare il puntatore nella direzione Y con X vincolato a 6.5. In seguito è possibile immettere un valore nel campo Y o fare clic nella finestra grafica per impostare il punto.
Suggerimento: Premere BACKSPACE per ripristinare il punto finale.
- Fare clic con il pulsante destro del mouse e selezionare Fatto, fare clic su Fatto nella finestra di dialogo, oppure premere ESC.
Esempio di allungamento
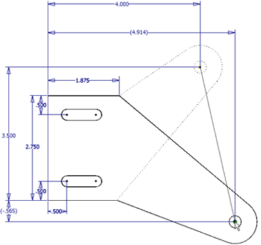
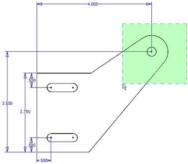
Il comando Allunga è attivo e le due linee e l'arco di collegamento sono selezionati con il metodo di selezione con finestra.
La geometria è selezionata nella finestra grafica e il punto di base nella finestra di dialogo Allunga. La geometria si allunga fino alla nuova posizione. Tutte le quote necessarie vengono distese. Le quote originali vengono visualizzate normalmente e le quote nuove vengono visualizzate tra parentesi. Solo due quote sono state modificate. Le linee punteggiate indicano la posizione originale della geometria.