Modifica del file iFeature

Nella parte successiva dell'esercitazione si convertirà la iFeature appena creata in una iFeature controllata da tabella. Verranno inseriti intagli a T di dimensioni diverse. Si modificherà la definizione della tabella in modo che contenga parametri di dimensioni diverse. Si aggiungerà anche una chiave da usare per selezionare un intaglio di determinate dimensioni durante il posizionamento.

  1. Aprire il file tutorial_TSlot.ide.
    Nota: Poiché nella cartella Slots è appena stato salvato un file, tale posizione dovrebbe essere attiva quando si seleziona Apri. In caso negativo, è possibile trovare una copia di backup del file in ...\Autodesk\Inventor LT [Versione]\Tutorial Files\iFeatures.

    Le iFeature vengono memorizzate in file con estensione *.IDE. Contengono geometrie che rappresentano le lavorazioni che verranno aggiunte (o eliminate). Il file tutorial_TSlot contiene superfici nere che rappresentano l'estrusione del taglio. Non è possibile apportare modifiche alle lavorazioni di modellazione usando la Tabella creazione iFeature.

    Viene visualizzata la scheda della barra multifunzione che contiene il gruppo iFeature.

  2. Nella barra multifunzione fare clic sulla scheda iFeature gruppo iFeature Tabella creazione iFeature.
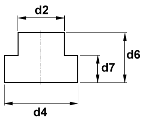
  3. Fare clic con il pulsante destro del mouse su 1 nella cella a sinistra del parametro 12 mm nella parte inferiore della finestra di dialogo di creazione iFeature. Scegliere Inserisci riga dal menu contestuale.
  4. Impostare i valori della nuova riga per d2 = 14 mm, d4 = 22 mm, d6 = 16 mm e d7 = 9 mm.
  5. Aggiungere due righe. Impostare i valori per la prima riga per d2 = 18 mm, d4 = 29 mm, d6 = 19 mm e d7 = 11 mm. Impostare i valori per la seconda riga per d2 = 22 mm, d4 = 35 mm, d6 = 25 mm, d7 = 14 mm.

    Nella finestra di dialogo, la parte della tabella dei parametri viene visualizzata come illustrato di seguito:

  6. Fare clic sulla scheda Altro nella finestra di dialogo Autore iFeature, quindi fare clic sul testo Fare clic per aggiungere un valore.
  7. Nella colonna Nome, fare clic su Nuovo elemento 0 e modificare il testo in Size.
  8. Nella colonna Messaggio, fare clic su Specificare Nuovo elemento 0 e modificare il testo in Select size.
  9. Fare clic sull'icona ombreggiata a forma di chiave alla sinistra di Size. L'icona a forma di chiave diventa azzurra e viene visualizzata un'icona azzurra a forma di chiave nell'intestazione della colonna Size è ora inclusa nella parte inferiore della tabella dei parametri della finestra di dialogo.
  10. Modificare il valore della chiave Size per ogni riga della tabella parametrica come indicato di seguito:
      Valore per la riga 1: M10x1.5
      Valore per la riga 2: M12x1.75
      Valore per la riga 3: M16x2.0
      Valore per la riga 4: M20x2.5
    Nota: I dadi metrici a T vengono designati dalle quote dell'intaglio e dalle dimensioni della filettatura del foro filettato. Il valore Size immesso in precedenza determina le dimensioni della filettatura per un intaglio a T. In questa esercitazione non verranno trattati tutti i valori degli intagli.
  11. Fare clic su OK per salvare le righe aggiunte e la colonna della chiave nella definizione di iFeature.
  12. Salvare e chiudere il file tutorial_TSlot.ide.

Indietro | Avanti