Posizionamento delle quote

In questo esercizio viene utilizzato il comando Quota generale. In Autodesk Inventor LT sono disponibili anche altri comandi specifici per l'inserimento di quote che non verranno trattati in questa esercitazione. Nel corso del progetto si potrebbe decidere che non si è soddisfatti di una quota o di un'annotazione inserita. Per eliminare una quota o un'annotazione che è già stata posizionata, selezionare il comando Annulla nella barra degli strumenti Accesso rapido. È inoltre possibile selezionare la quota e premere CANC, oppure fare clic con il pulsante destro del mouse e scegliere Elimina dal menu contestuale visualizzato.

Nota: I passaggi successivi presuppongono che sia stata disattivata l'opzione Modifica quota alla creazione nella scheda Disegno della finestra di dialogo Opzioni applicazione, come specificato nei Prerequisiti della presente esercitazione. In caso contrario, quando si fa clic per posizionare ciascuna quota verrà visualizzata la finestra di dialogo Modifica. È possibile svolgere l'esercitazione senza modificare le impostazioni di default, facendo sempre clic su OK ogni volta che tale finestra di dialogo viene visualizzata. Tuttavia, si consiglia di modificare le impostazioni di default.
  1. Nella barra multifunzione fare clic sulla scheda Annotazione gruppo Quota Quota .
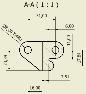
  2. Spostare il cursore sull'estensione più alta del centro verticale nel foro più a sinistra nella vista in sezione.
  3. Quando vengono visualizzati i due cerchi verdi e la linea verticale viene evidenziata, fare clic per selezionare la linea verticale del centro come estensione sinistra della quota.
  4. Spostare il cursore sull'estensione più alta del centro verticale nel foro più a destra nella vista in sezione.
  5. Quando vengono visualizzati i due cerchi verdi e la linea verticale viene evidenziata, fare clic per selezionare la linea verticale del centro come estensione destra della quota.
  6. Osservare che quando si sposta il cursore, le linee di estensione di quota vengono adattate. Fare clic per inserire la quota.

    Sebbene sia stata inserita una sola quota, il comando Quota rimane attivo.

  7. Spostare il cursore sull'estensione più bassa del centro verticale nel foro più a sinistra nella vista in sezione.
  8. Quando vengono visualizzati i due cerchi verdi e la linea verticale viene evidenziata, fare clic per selezionare la linea verticale del centro come estensione sinistra della quota.
  9. Spostare il cursore sull'estensione più bassa della linea verticale che rappresenta il materiale di taglio.
  10. Per selezionare l'estensione destra della quota, fare clic quando la linea viene evidenziata e viene visualizzato il cerchio verde.
  11. Spostare il cursore per selezionare una posizione e fare clic per inserire la quota da 16 mm.
  12. Continuare ad inserire quote orizzontali e verticali nella vista in sezione, nella vista anteriore, nella vista da sinistra e nella vista dall'alto. Premere il testo ESC per terminare il comando Quota.
  13. Dopo aver inserito diverse quote, è possibile spostare una quota. Con i comandi disattivati, spostare il cursore su un valore della quota che si desidera spostare. Quando la quota viene evidenziata, fare clic e trascinare il valore della quota nella nuova posizione (in alto/in basso o a sinistra/a destra). È inoltre possibile fare clic e trascinare una delle maniglie di modifica a forma di cerchio verde, per apportare altre modifiche alle quote.

Indietro | Avanti