La quotatura del disegno automatica è disattivata per default. Viene visualizzata se nella famiglia è presente almeno una quota con testo etichetta.
Nell'immagine seguente è mostrata l'aggiunta di una quota senza testo etichetta alla geometria.

Non è visibile alcuna quota automatica del disegno.
Come attivare la visibilità delle quote automatiche del disegno
gruppo Grafica
(Visibilità/Grafica), oppure digitare VG. Viene visualizzata la quotatura del disegno automatica.

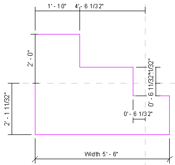
È stato così definito il posizionamento di ciascuna linea della geometria rispetto ai piani di riferimento o ad altre linee di disegno.Revit
Man mano che si aggiungono quote bloccate, le quote automatiche del disegno vengono sostituite, come mostrato in figura.
