ジオメトリデータとトポロジデータがどのようにモデルを完成させるのかを理解するためには、ソリッドモデルにおけるデータの種類の考え方を理解していなければなりません。
ジオメトリデータサーフェスにはソリッドモデルのジオメトリデータが含まれる。ジオメトリデータはオブジェクトの基本シェイプを記述するもので、NURBS(非一様有理Bスプライン)で表現されます。
ループ、エッジ、頂点には、ソリッドモデルを形成する個々のサーフェス間のトポロジ関係が含まれています。トポロジデータは、ジオメトリのコンポーネントの相互関係を表すものです。ソリッドモデリングでは、単一のサーフェスはフェースと呼ばれます。各フェースは、ループ、エッジ、頂点から構成されます。
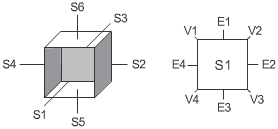
以下の例では、S1からS6のサーフェス(フェース)を持つ立方体のソリッドモデルを示します。S1からS6は、立方体をソリッドモデルとして定義するために必要なジオメトリとトポロジ情報を構成します。それぞれのサーフェスにはループのセットがありますが、ここでは 1 つのサーフェスに 1 つのループのみがあるとします。S1のループには、4つのエッジと4つの頂点があります。

エッジは、隣接サーフェスから成る2つのループの接続に使用します。頂点は、複数のエッジの接続に使用します。
このソリッドボックスは、6個のサーフェス、12個のエッジ、8個の頂点から構成されています。これらのコンポーネントが、ソリッドボックスをソリッドモデルとして定義するために必要なジオメトリ情報とトポロジ情報を形成しています。たとえば、ボックスのS1からS6に穴を開けると、S1とS6には、2つのループを含むループセットが組み込まれることになります。