注記スタイルを上書きする
特定の注釈の外観が間違っていて、すべての注釈をその外観にしたくない場合があります。このトピックでは、末尾のゼロを非表示にするスタイルを作成します。
右クリックして
[スタイルの編集]
を選択します。
[寸法]ノードを展開して、「
Modified (ISO)
」を右クリックし、
[新規スタイル]
を選択します。[名前]に「
Modified - No Trailing Zeros (ISO)
」と入力して、
[OK]
をクリックします。
[単位]
タブの
[表示]
パネルで、
[末尾ゼロを表示]
の選択をオフにします。
[保存]
、
[完了]
の順にクリックします。
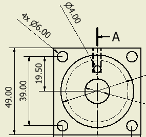
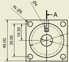
ベース ビューで穴注記を選択します。
[注釈]
タブ
[形式]
パネル
[スタイル]一覧
で、「
Modified - No Trailing Zeros (ISO)
」をクリックします。
[前へ]
|
[次へ]
親トピック:
図面スタイルと規格