iFeature ファイルを修正する

チュートリアルの次の部分では、先ほど作成した iFeature をテーブル駆動 iFeature に変換します。すると、さまざまなサイズの T スロットが配置されます。多様なサイズのパラメータが取り込まれるように、テーブル定義を編集します。また、配置中に特定サイズのスロットを選択する目的に使用するキーを追加します。

  1. tutorial_TSlot.ide ファイルを開きます
    注: 先ほどファイルを[スロット]フォルダに保存したので、[開く]を選択すれば、その場所がアクティブになるはずです。見つからない場合は、...¥Autodesk¥Inventor LT [バージョン]¥Tutorial Files¥iFeatures にファイルのバックアップ コピーがあります。

    iFeature の保管先は、*.IDE ファイル拡張子付きファイルです。それらのファイルには、追加(または除去)するフィーチャを表すジオメトリが格納されています。tutorial_TSlot ファイルは、カットの押し出しを表す黒色サーフェスを含んでいます。[iFeature 作成テーブル]を使ってモデル フィーチャに何も編集を加えないようにしてください。

    [iFeature]パネルを含むリボン タブが表示されています。

  2. リボンで、 [iFeature]タブ [iFeature]パネル [iFeature 作成テーブル]の順にクリックします。
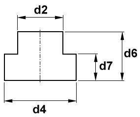
  3. [iFeature を作成]ダイアログ ボックス下部の 12 mm パラメータの左側にあるセルで、1 を右クリックします。右クリック メニューから[行を挿入]を選択します。
  4. 新規の行の値を、d2 = 14 mmd4 = 22 mmd6 = 16 mm、および d7 = 9 mm に設定します。
  5. 別途 2つの行を追加します。最初の行の値を、d2 = 18 mmd4 = 29 mmd6 = 19 mm、および d7 = 11 mm に設定します。2 番目の行の値を、d2 = 22 mmd4 = 35 mmd6 = 25 mmd7 = 14 mm に設定します。

    ダイアログ ボックスのパラメータ テーブル部分の外観は、次の図のようになります。

  6. [iFeature を作成]ダイアログ ボックスの[その他]タブをクリックしてから、[値を追加するにはここをクリック]というテキストをクリックします。
  7. [名前]列で[新規項目 0]をクリックし、そのテキストを「サイズ」に変更します。
  8. [プロンプト]列で[新規項目 0 を入力]をクリックし、そのテキストを「サイズを選択」に変更します。
  9. [サイズ]の左側にある、灰色のキーの形をしたアイコンをクリックします。アイコンが青色に変わることに注目しましょう。その青色のキー アイコンは、ダイアログ ボックスのパラメータ テーブル部分に含まれる[サイズ]列見出しに表示されます。
  10. パラメータ テーブル内の各行の[サイズ] キー値を編集します(次の図を参照)。
      行 1 の値: M10x1.5
      行 2 の値: M12x1.75
      行 3 の値: M16x2.0
      行 4 の値: M20x2.5
    注: メートル法 T ナットは、ねじ穴のスロット寸法とねじサイズの両方によって指定されます。ここで入力した[サイズ]値は、1 つの T スロット サイズのねじ指定です。このチュートリアルでは、一部のスロット サイズの値のみを取り上げます。
  11. [OK]をクリックすると、iFeature 定義に追加した行およびキーの列が保存されます。
  12. tutorial_TSlot.ide を保存して閉じます。

[前へ] | [次へ]