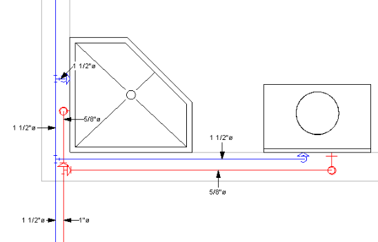
配管のサイズ変更の例

次の図は、さまざまな配管のサイズ変更方法の結果を示しています。

摩擦と速度

サイズ変更前

サイズ変更後

摩擦のみ

サイズ変更前

サイズ変更後

摩擦と速度 - 大きい分岐

サイズ変更前

サイズ変更後

摩擦と速度 - 接続サイズの一致

サイズ変更前

サイズ変更後

速度のみ

サイズ変更前

サイズ変更後

システム検査

単一配管

流れの図