iFeature 파일 수정

튜토리얼의 다음 부분에서는 방금 작성한 iFeature를 테이블 연결 iFeature로 변환합니다. 그러면 다른 크기의 T 슬롯이 배치됩니다. 다양한 크기의 매개변수를 포함하도록 테이블 정의를 편집합니다. 또한 배치 중 특정 크기의 슬롯을 선택하는 데 사용할 키를 추가합니다.

  1. tutorial_TSlot.ide 파일을 엽니다.
    주: 방금 슬롯 폴더에 파일을 저장했기 때문에 열기를 선택하면 해당 위치가 활성화되어야 합니다. 활성화되지 않는 경우 ...₩Autodesk₩Inventor [버전]₩Tutorial Files₩iFeatures에서 파일의 백업 사본을 찾을 수 있습니다.

    iFeature는 파일 확장명이 *.IDE인 파일에 저장됩니다. 이러한 파일에는 추가(또는 빼기)할 피쳐를 나타내는 형상이 포함되어 있습니다. tutorial_TSlot 파일에는 절단부 돌출을 나타내는 검은색 곡면이 포함되어 있습니다. iFeature 제작 테이블을 사용하여 모형 피쳐를 편집하지 않습니다.

    iFeature 패널이 포함된 리본 탭이 표시됩니다.

  2. 리본에서 iFeature 탭 iFeature 패널 iFeature 제작 테이블을 클릭합니다.
  3. iFeature 제작 대화상자의 아래 부분에서 12mm 매개변수의 왼쪽에 있는 셀에서 1을 마우스 오른쪽 버튼으로 클릭합니다. 상황에 맞는 메뉴에서 행 삽입을 선택합니다.
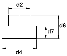
  4. 새 행의 값을 d2 = 14mm, d4 = 22mm, d6 = 16mmd7 = 9mm로 설정합니다.
  5. 2개의 행을 더 추가합니다. 첫 번째 행의 값을 d2 = 18mm, d4 = 29mm, d6 = 19mmd7 = 11mm로 설정합니다. 두 번째 행의 값을 d2 = 22mm, d4 = 35mm, d6 = 25mm, d7 = 14mm로 설정합니다.

    대화상자의 매개변수 테이블 부분이 다음 그림과 같이 표시되어야 합니다.

  6. iFeature 제작 대화상자에서 기타 탭을 클릭한 다음 값을 추가하려면 여기를 클릭 텍스트를 클릭합니다.
  7. 이름 열에서 새 항목0을 클릭하고 텍스트를 크기로 변경합니다.
  8. 프롬프트 열에서 새 항목0 입력을 클릭하고 텍스트를 크기 선택으로 변경합니다.
  9. 크기의 왼쪽에 있는 회색 키 모양 아이콘을 클릭합니다. 아이콘이 파란색으로 변경되고 파란색 키 아이콘은 이제 대화상자의 매개변수 테이블 부분에 포함된 크기 열 헤더에 표시됩니다.
  10. 다음과 같이 매개변수 테이블의 각 행에 대해 크기 키 값을 편집합니다.
      행 1 값: M10x1.5
      행 2 값: M12x1.75
      행 3 값: M16x2.0
      행 4 값: M20x2.5
    주: 미터법 T 너트는 슬롯 치수와 탭 구멍의 스레드 크기에 의해 지정됩니다. 이전에 입력한 크기 값은 하나의 T 슬롯 크기의 스레드 지정입니다. 일부 슬롯 크기는 이 튜토리얼의 값에서 다루지 않습니다.
  11. 확인을 클릭하여 iFeature 정의에 추가된 행과 키 열을 저장합니다.
  12. tutorial_TSlot.ide를 저장하고 닫습니다.

이전 | 다음