치수 배치

이 연습 과정에서는 일반 치수 명령을 사용합니다. Autodesk Inventor에서는 이 튜토리얼에서 다루지 않는 몇몇 독특한 치수 명령도 제공됩니다. 튜토리얼을 진행하면서 배치한 치수 또는 다른 주석이 만족스럽지 않다고 판단되는 경우가 있을 수 있습니다. 이미 배치한 치수 또는 주석을 삭제하려면 신속 접근 도구막대에서 명령취소 명령을 선택합니다. 또한 치수를 선택하고 Delete 키를 누르거나 마우스 오른쪽 버튼을 클릭하면 표시되는 상황에 맞는 메뉴에서 삭제를 선택할 수도 있습니다.

주: 다음 단계에서는 이 튜토리얼의 사전 요구사항에 설명된 대로 응용프로그램 옵션 대화상자의 도면 탭에서 작성 시 치수 편집의 선택을 취소한 것으로 간주합니다. 취소하지 않았다면 각 치수를 클릭하여 배치한 후 편집 대화상자가 표시되는 것을 확인할 수 있습니다. 이 대화상자가 표시되면 항상 확인을 클릭하여 기본 설정을 변경하지 않고도 이 튜토리얼을 계속할 수 있습니다. 하지만 기본값을 변경하는 것이 좋습니다.
  1. 리본에서 주석 탭 치수 패널 치수 를 클릭합니다.
  2. 단면도의 가장 왼쪽 구멍의 수직 중심 표식의 최상위 범위 위로 커서를 움직입니다.
  3. 초록색으로 채워진 두 개의 원이 나타나고 수직선이 강조 표시된 경우 중심 표식의 수직선을 치수의 왼쪽 범위로 선택하려면 클릭합니다.
  4. 단면도의 가장 오른쪽 구멍의 수직 중심 표식의 최상위 범위 위로 커서를 움직입니다.
  5. 초록색으로 채워진 두 개의 원이 나타나고 수직선이 강조 표시된 경우 중심 표식의 수직선을 치수의 오른쪽 범위로 선택하려면 클릭합니다.
  6. 커서를 움직이면 치수보조선이 조정됩니다. 치수를 배치하려면 클릭합니다.

    치수를 하나 배치했지만 치수 명령은 계속 활성화되어 있습니다.

  7. 단면도의 가장 왼쪽 구멍의 수직 중심 표식의 최하위 범위 위로 커서를 움직입니다.
  8. 초록색으로 채워진 두 개의 원이 나타나고 수직선이 강조 표시된 경우 중심 표식의 수직선을 치수의 왼쪽 범위로 선택하려면 클릭합니다.
  9. 절단부 재질을 나타내는 수직선의 최하위 범위 위로 커서를 움직입니다.
  10. 치수의 오른쪽 범위를 선택하려면 선이 강조 표시되고 초록색으로 채워진 원이 나타날 때 클릭합니다.
  11. 원하는 위치로 커서를 이동하고 클릭하여 16mm 치수를 배치합니다.
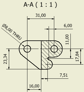
  12. 계속해서 단면도, 정면도, 좌측면도 및 평면도에 수평 및 수직 치수를 배치합니다. Esc 키를 클릭하여 치수 명령을 종료합니다.
  13. 몇 개의 치수를 배치한 후 치수 이동을 결정할 수도 있습니다. 활성화된 명령이 없는 상태에서 이동하려는 치수 값 위로 커서를 움직입니다. 치수가 강조 표시될 때 치수 값을 클릭하고 새 위치로 끌어 옵니다(위/아래 또는 왼쪽/오른쪽). 또한 초록색으로 채워진 원 편집 핸들을 클릭하고 끌어 다른 치수 편집 작업을 수행할 수 있습니다.

이전 | 다음