선택한 형상을 늘립니다. 선택한 형상과 연관된 구속조건은 늘이기 작업에 영향을 줍니다.
- 그런 다음
스케치 탭
수정 패널
늘이기
을 클릭합니다. 선택 명령이 사용 가능한 상태로 늘이기 대화상자가 열립니다.
- 그래픽 창에서 형상을 선택하거나 선택 창을 사용하여 형상 그룹을 선택합니다. 마우스 오른쪽 버튼을 클릭하고 계속을 선택하여 선택 명령을 닫고 늘이기 대화상자에서 기준점을 활성화합니다.
팁: 중심점을 선택하기 전에 형상을 하나만 선택하면 되는 경우 단일 선택을 위해 최적화를 사용합니다. 그러면 첫 번째 형상을 선택한 후 기준점 명령이 자동으로 활성화됩니다.
- 늘이기 작업의 기준점과 끝점을 정의하는 방법을 선택합니다.
포인터를 사용하여 늘이기
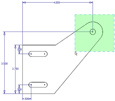
- 늘이기 작업의 기준점을 설정하려면 그래픽 창 내부를 클릭합니다. 그러면 원래 형상을 나타내는 대시 선과 회전된 형상을 나타내는 실선이 동적 미리보기에 표시됩니다. 기준점을 선택하면 설정되는 상수 간격띄우기에서 포인터를 사용하여 선택한 형상이 늘려집니다.
- 그래픽 창에서 포인터를 끌어 옵니다. 마우스 버튼을 누르고 있지 않아도 됩니다. 포인터를 이동하면 상태막대에 절대 스케치 좌표가 표시됩니다. 새 위치와 쉐이프가 동적으로 업데이트됩니다.
팁: 포인터를 해당 위치 근처로 끌면 끝점이 가장 가까운 수직 또는 수평 축으로 스냅됩니다. 이 스냅 피쳐를 재지정하려면
Ctrl 키를 누른 상태로 끌거나 응용프로그램 옵션

스케치 탭에서 그리드로 스냅하기 선택을 취소합니다.
- 구속조건으로 인해 늘이기 작업을 수행할 수 없는 경우 자세히
를 클릭하고 치수 구속조건을 완화하거나 형상 구속조건을 끊는 재지정을 설정합니다.
- 클릭하여 끝점을 설정합니다.
팁: 백스페이스를 클릭하여 끝점을 재설정합니다.
정확한 입력을 사용하여 늘이기
- 정확한 입력 도구막대를 열려면 정확한 입력 확인란을 선택합니다.
- 기준점의 좌표를 입력하고 Enter 키를 누릅니다. 그러면 원래 형상을 나타내는 대시 선과 회전된 형상을 나타내는 실선이 동적 미리보기에 표시됩니다. 기준점을 선택하면 설정되는 상수 간격띄우기에서 포인터를 사용하여 선택한 형상이 늘려집니다. 상태막대에 포인터의 절대 스케치 좌표가 표시됩니다.
- 구속조건으로 인해 늘이기 작업을 수행할 수 없는 경우 자세히
를 클릭하고 치수 구속조건을 완화하거나 형상 구속조건을 끊는 재지정을 설정합니다.
- 정확한 입력 도구막대에 끝점 좌표를 입력하고 Enter 키를 누릅니다.
팁: 정확한 입력 도구막대를 사용하여 포인터 이동을 특정 X 또는 Y 값으로 구속할 수 있습니다. 예를 들어 X에 6.5를 입력하면 X가 6.5로 구속된 상태로 포인터를 Y 방향으로 끌 수 있습니다. 그런 다음 Y에 값을 입력하거나 그래픽 창을 클릭하여 점을 설정합니다.
팁: 백스페이스를 클릭하여 끝점을 재설정합니다.
- 마우스 오른쪽 버튼을 클릭하고 종료를 선택하거나, 대화상자에서 종료를 클릭하거나 Esc 키를 누릅니다.
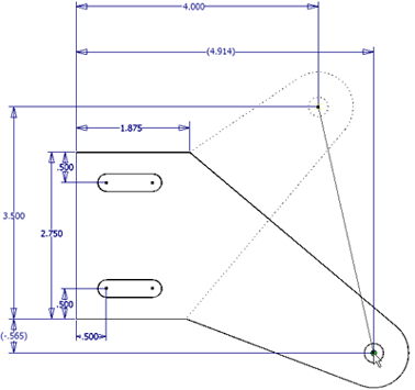
늘이기 예
늘이기 명령이 활성화되고 창 선택 방법을 통해 두 선과 연결 호가 선택됩니다.
형상이 그래픽 창에서 선택되고 기준점이 늘이기 대화상자에서 선택됩니다. 형상이 새 위치로 늘려집니다. 필요한 치수가 모두 완화됩니다. 원래 치수는 정상적으로 표시되고 새 치수는 괄호 안에 표시됩니다. 두 치수만 변경됩니다. 점선은 형상의 원래 위치를 나타냅니다.