배치 생성 도구를 연 다음 배치 생성 탭 및 옵션 막대에서 제공하는 다음 도구를 사용하여 시스템에 대한 배치를 작성할 수 있습니다.
배치 선은 결합할 배치 선을 먼저 선택한 후 배치 선의 엘보/끝 컨트롤을 인접한 배치 선에 스냅될 때까지 끌어 결합합니다. 수정된 배치 선이 제거되고 수정된 배치 선과 연관된 구성요소와의 실제 연결을 나타내기 위해 다른 배치 선이 추가됩니다. 수정된 배치 선과 연관된 모든 구성요소는 원래 위치를 유지합니다. 배치 선을 결합하면 배치가 설계 의도와 일치하도록 다시 정의할 수 있습니다.
수정을 사용할 경우 현재 (수정된) 배치에 대해 하나의 사용자 솔루션이 저장됩니다. 나중에 수정을 사용하여 다른 솔루션을 선택할 경우 이전 솔루션을 덮어쓸 것인지 묻는 메시지가 표시됩니다.
배치를 수정하려면
(수정)을 클릭하고 위치를 변경하거나 결합할 배치 선을 선택합니다. 그런 다음 다음과 같은 컨트롤을 사용할 수 있습니다.
평행 이동 컨트롤: 배치 선에 수직인 축을 따라 전체 배치 선을 이동할 수 있습니다. 시스템에서 연결을 유지하기 위해 필요한 경우 자동으로 선이 추가됩니다. 배치 세그먼트를 겹치기 위해 이 컨트롤을 사용할 수 없습니다. 엘보/끝 컨트롤을 사용해야 합니다.
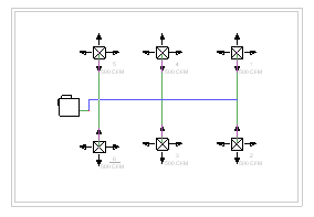
접합 컨트롤:
—T자형을 나타냅니다.
— 교차를 나타냅니다. 이러한 접합 컨트롤을 사용하면 주 세그먼트와 분기 세그먼트 간의 T자형 또는 교차 연결을 왼쪽 또는 오른쪽, 위쪽 또는 아래쪽으로 이동할 수 있습니다. 이동은 접합 컨트롤 기호와 연관된 끝까지로 제한됩니다(위 참고사항 참고).
엘보/끝 컨트롤: 2개의 배치 선 사이의 교차점 또는 배치 선의 끝을 이동할 수 있습니다. 또한 이 컨트롤을 사용하여 배치 선을 결합할 수 있습니다. 시스템에서 연결을 유지하기 위해 필요한 경우 자동으로 배치 선이 추가됩니다.
고도 컨트롤: 선의 현재 고도를 나타냅니다. 고도 컨트롤을 클릭하고 값을 입력하여 고도를 조정합니다.
네트워크: 이 솔루션은 덕트 시스템에 대해 선택된 구성요소 둘레에 경계 상자를 작성한 다음, 경계 상자의 중심선을 따라 분기 세그먼트가 주 세그먼트와 90도 각도를 이루도록 하여 주 세그먼트에 최대 6개의 솔루션을 배치합니다.

둘레: 이 솔루션은 시스템에 대해 선택된 구성요소 둘레에 경계 상자를 작성하고, 5개의 잠재적 라우팅 솔루션을 제안합니다. 네 개의 솔루션은 경계 상자의 4면 중 3개를 기준으로 합니다. 다섯 번째 솔루션은 4면 모두를 기준으로 합니다.

경계 상자와 구성요소 사이의 간격띄우기를 결정하는 인세트를 지정할 수 있습니다.
교차점: 이 솔루션은 시스템의 구성요소에 대한 각 커넥터로부터 연장된 한 쌍의 가상 선에 잠재적 라우팅을 배치합니다. 수직선이 커넥터로부터 연장됩니다. 구성요소로부터의 선이 교차하는 위치에 제안된 솔루션의 잠재적 접합이 있습니다. 최단 경로를 따라 최대 8개의 솔루션을 제안할 수 있습니다.
화살표 버튼(![]()
)을 사용하여 제안된 라우팅 솔루션을 통해 순환할 수 있습니다.
설정: 주 파이프 및 분기 파이프에 대한 특성을 지정하는 덕트 변환 설정 대화상자를 엽니다.
인세트: 시스템의 경계 상자와 구성요소 사이의 거리를 지정합니다. 양수 또는 음수 값을 지정하여 경계 상자 내부 또는 외부에 각각 둘레를 배치할 수 있습니다.
이 옵션은 둘레 솔루션 유형을 선택한 후에만 사용할 수 있습니다.
이 옵션은 순서에 관계없이 요소를 다시 추가할 수 있기 때문에 실행취소(CTRL+Z)와 다릅니다.
베이스 컨트롤을 사용하려면 열린 덕트 연결이 배치될 위치에 베이스 컨트롤을 배치합니다. 배치 하위 조합을 연결하기 위해 베이스 컨트롤을 배치할 수도 있습니다. 베이스 컨트롤이 열린 연결과 동일한 고도에 있는 경우 수평 파이프 또는 덕트가 열린 하위 조합 연결에 연결됩니다. 베이스 컨트롤이 열린 연결과 다른 고도에 배치된 경우 배치를 연결하기 위해 파이프 또는 덕트 챌판이 작성됩니다.
연결 방향 주위로 회전: 베이스 컨트롤을 베이스 컨트롤 연결 방향 축 주위로 회전합니다. 연결 방향은 3D 뷰에서 화살표로 표시됩니다.
연결 방향에 수직으로 회전: 베이스 컨트롤을 베이스 컨트롤 연결 방향 축 주위에 수직으로 회전합니다. 연결 방향은 3D 뷰에서 화살표로 표시됩니다.
베이스 이동: 베이스 컨트롤을 이동합니다.