W kolejnej części ćwiczeń przekonwertujemy utworzone elementy iFeature na elementy iFeature sterowane tabelą. Wstawimy gniazda T różnych rozmiarów. Wyedytujemy definicję tabeli w taki sposób, aby tabela zawierała różne parametry rozmiaru. Dodamy także klucz używany podczas wstawiania do wyboru gniazda określonego rozmiaru. 
-  Otwórz plik tutorial_TSlot.ide. Uwaga: Ponieważ plik został już zapisany w folderze Gniazda, lokalizacja powinna być aktywna podczas wybrania polecenia Otwórz. Jeśli tak nie jest, kopię zapasową pliku można znaleźć w lokalizacji ...\Autodesk\Inventor [wersja]\Tutorial Files\iFeatures.  Elementy iFeature są przechowywane w plikach o rozszerzeniu *.IDE. Zawierają geometrię reprezentującą elementy, które będą dodawać (lub odejmować). Plik tutorial_TSlot zawiera czarne powierzchnie reprezentujące wyciągnięcie wycięcia. Tabela Redagowanie iFeature nie służy do edytowania elementów modelu.  Wyświetla się karta wstążki zawierająca panel iFeature.  
- Na wstążce kliknij kartę iFeature  panel iFeature panel iFeature Tabela Redagowanie iFeature. Tabela Redagowanie iFeature.  
- Kliknij prawym przyciskiem myszy wartość 1 w komórce po lewej stronie parametru 12 mm, w dolnej części okna Redagowanie iFeature. Wybierz opcję Wstaw wiersz z menu kontekstowego. 
 
 
- Edytuj wartości dla nowego wiersza: d2 = 14 mm, d4 = 22 mm, d6 = 16 mm i d7 = 9 mm. 
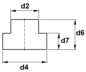
- Dodaj dwa dodatkowe wiersze. Edytuj wartości dla nowego wiersza: d2 = 18 mm, d4 = 29 mm, d6 = 19 mm i d7 = 11 mm. Ustaw wartości drugiego wiersza na d2 = 22 mm, d4 = 35 mm, d6 = 25 mm i d7 = 14 mm. Część tabeli parametrów okna dialogowego powinna wyglądać jak na poniższej ilustracji:  
- Kliknij kartę Inne w oknie dialogowym Redagowanie iFeature, a następnie kliknij tekst Kliknij, by dodać wartość.  
- Kliknij pole w kolumnie Nazwa o treści Nowy element0 i zmień tekst na Rozmiar. 
- Kliknij pole w kolumnie Komunikat o treści Wprowadź nowy element0 i zmień tekst na Wybierz rozmiar. 
- Kliknij szarą ikonę w kształcie klucza znajdującą się po lewej stronie od pola Rozmiar. Zauważ, że ikona zmienia kolor na niebieski i że ikona niebieskiego klucza wyświetla się w nagłówku kolumny Rozmiar, która jest teraz widoczna w części tabeli parametrów okna dialogowego. 
- Edytuj kluczową wartość Rozmiar dla każdego wiersza w tabeli parametrów: 
|  | Wartość dla wiersza 1: | M10x1.5 |  |  | Wartość dla wiersza 2: | M12x1.75 |  |  | Wartość dla wiersza 3: | M16x2.0 |  |  | Wartość dla wiersza 4: | M20x2.5 |  
 
Uwaga: Metryczne nakrętki T są określone przez wymiary gniazda i rozmiar gwintu otworu gwintowanego. Wartość Rozmiar wprowadzona powyżej jest określeniem gwintu dla jednego rozmiaru gniazda T. Ćwiczenie nie omawia wszystkich rozmiarów gniazd.  
- Kliknij przycisk OK, aby zapisać dodane wiersze i kluczowe kolumny do definicji elementu iFeature. 
-  Zapisz i zamknij plik tutorial_TSlot.ide. 
 Wstecz | Dalej