W tym ćwiczeniu użyte zostanie ogólne polecenie Wymiar. Program Autodesk Inventor udostępnia również zaawansowane polecenia wymiarowania nieomówione w tym ćwiczeniu. Podczas pracy użytkownik może uznać, że umieszczony wymiar (lub inny opis) jest nieodpowiedni. Aby usunąć wymiar lub opis, który został już wstawiony, wybierz polecenie Cofnij na pasku narzędzi Szybki dostęp. Można także wybrać wymiar i nacisnąć klawisz Del lub kliknąć prawym przyciskiem myszy i wybrać opcję Usuń z wyświetlonego menu kontekstowego.
Uwaga: W poniższej procedurze przyjęto założenie, że opcja Edycja wymiaru podczas jego tworzenia na karcie Rysunek w oknie dialogowym Opcje aplikacji została anulowana, zgodnie z instrukcjami w części Warunki wstępne tego ćwiczenia. W przeciwnym wypadku zostanie wyświetlone okno dialogowe Edytuj po kliknięciu w celu umieszczenia wymiaru. Można kontynuować wykonywanie tego ćwiczenia bez zmiany ustawień domyślnych, zawsze klikając przycisk OK po wyświetleniu tego okna dialogowego. Zalecamy jednak zmianę ustawień domyślnych.
- Na wstążce kliknij 
kartę Opisz
 panel Wymiar panel Wymiar Wymiar Wymiar . .
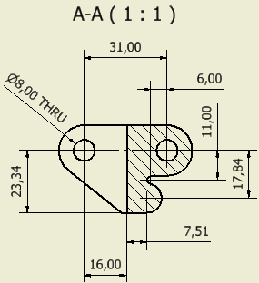
- Przesuń kursor nad górny koniec pionowego znacznika środka otworu znajdującego się najbliżej lewej krawędzi rzutu przekroju.
- Gdy pojawią się dwa zielone koła, a linia pionowa zostanie podświetlona, wybierz pionową linię znacznika środka jako lewą linię pomocniczą wymiaru.
- Przesuń kursor nad górny koniec pionowego znacznika środka otworu znajdującego się najbliżej prawej krawędzi rzutu przekroju.
- Gdy pojawią się dwa zielone koła, a linia pionowa zostanie podświetlona, wybierz pionową linię znacznika środka jako prawą linię pomocniczą wymiaru.
- Podczas przesuwania kursora linie pomocnicze wymiaru są dopasowywane. Kliknij, aby umieścić wymiar.
Pomimo umieszczenia jednego wymiaru polecenie Wymiar jest nadal aktywne. 
- Przesuń kursor nad dolny koniec pionowego znacznika środka otworu znajdującego się najbliżej lewej krawędzi rzutu przekroju.
- Gdy pojawią się dwa zielone koła, a linia pionowa zostanie podświetlona, wybierz pionową linię znacznika środka jako lewą linię pomocniczą wymiaru.
- Przesuń kursor nad dolny koniec pionowej linii odpowiadającej ciętemu materiałowi.
- Aby wybrać właściwy koniec wymiaru, kliknij rysunek, gdy linia zostanie podświetlona i pojawi się zielone koło.
- Przesuń kursor, aby wybrać właściwe położenie, a następnie kliknij to miejsce, aby wstawić wymiar 16 mm.
- Umieść pozostałe poziome i pionowe wymiary w rzucie z przodu, z lewej i z góry oraz w rzucie przekroju. Kliknij klawisz Esc, aby dezaktywować polecenie wstawiania wymiarów.
- Po wstawieniu kilku wymiarów użytkownik może zdecydować się przesunąć któryś z nich. Przy wyłączonych poleceniach przesuń kursor nad wartość wymiaru, który ma być przesunięty. Po podświetleniu wymiaru kliknij i przeciągnij wartość wymiaru (w górę/w dół lub w lewo/w prawo) do nowej lokalizacji. Można kliknąć i przeciągnąć dowolny element edycji zielonego okręgu, aby wprowadzić inne zmiany wymiaru.
 Wstecz | Dalej