W niektórych przypadkach wygląd pewnych opisów może być niewłaściwy lub użytkownik nie chce, aby wszystkie opisy miały taki wygląd. W tym temacie omówiono tworzenie stylu, który ukrywa zera dziesiętne.

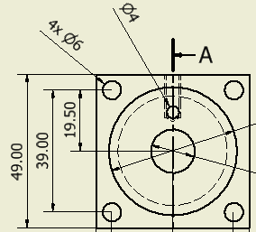
Wyświetlanie, usuń zaznaczenie pola wyboru przy opcji Zera kończące. Kliknij Zapisz, a następnie Gotowe.
Format, w obszarze
Lista stylów kliknij pozycję Zmodyfikowane — brak zer kończących (ISO). 