Modyfikacja pliku elementu iFeature

W kolejnej części ćwiczeń przekonwertujemy utworzone elementy iFeature na elementy iFeature sterowane tabelą. Wstawimy gniazda T różnych rozmiarów. Wyedytujemy definicję tabeli w taki sposób, aby tabela zawierała różne parametry rozmiaru. Dodamy także klucz używany podczas wstawiania do wyboru gniazda określonego rozmiaru.

  1. Otwórz plik tutorial_TSlot.ide.
    Uwaga: Ponieważ plik został już zapisany w folderze Gniazda, lokalizacja powinna być aktywna podczas wybrania polecenia Otwórz. Jeśli tak nie jest, kopię zapasową pliku można znaleźć w lokalizacji ...\Autodesk\Inventor LT [wersja]\Tutorial Files\iFeatures.

    Elementy iFeature są przechowywane w plikach o rozszerzeniu *.IDE. Zawierają geometrię reprezentującą elementy, które będą dodawać (lub odejmować). Plik tutorial_TSlot zawiera czarne powierzchnie reprezentujące wyciągnięcie wycięcia. Tabela Redagowanie iFeature nie służy do edytowania elementów modelu.

    Wyświetla się karta wstążki zawierająca panel iFeature.

  2. Na wstążce kliknij kartę iFeature panel iFeature Tabela Redagowanie iFeature.
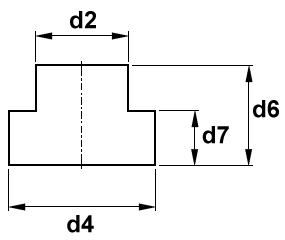
  3. Kliknij prawym przyciskiem myszy wartość 1 w komórce po lewej stronie parametru 12 mm, w dolnej części okna Redagowanie iFeature. Wybierz opcję Wstaw wiersz z menu kontekstowego.
  4. Edytuj wartości dla nowego wiersza: d2 = 14 mm, d4 = 22 mm, d6 = 16 mm i d7 = 9 mm.
  5. Dodaj dwa dodatkowe wiersze. Edytuj wartości dla nowego wiersza: d2 = 18 mm, d4 = 29 mm, d6 = 19 mm i d7 = 11 mm. Ustaw wartości drugiego wiersza na d2 = 22 mm, d4 = 35 mm, d6 = 25 mm i d7 = 14 mm.

    Część tabeli parametrów okna dialogowego powinna wyglądać jak na poniższej ilustracji:

  6. Kliknij kartę Inne w oknie dialogowym Redagowanie iFeature, a następnie kliknij tekst Kliknij, by dodać wartość.
  7. Kliknij pole w kolumnie Nazwa o treści Nowy element0 i zmień tekst na Rozmiar.
  8. Kliknij pole w kolumnie Komunikat o treści Wprowadź nowy element0 i zmień tekst na Wybierz rozmiar.
  9. Kliknij szarą ikonę w kształcie klucza znajdującą się po lewej stronie od pola Rozmiar. Zauważ, że ikona zmienia kolor na niebieski i że ikona niebieskiego klucza wyświetla się w nagłówku kolumny Rozmiar, która jest teraz widoczna w części tabeli parametrów okna dialogowego.
  10. Edytuj kluczową wartość Rozmiar dla każdego wiersza w tabeli parametrów:
      Wartość dla wiersza 1: M10x1.5
      Wartość dla wiersza 2: M12x1.75
      Wartość dla wiersza 3: M16x2.0
      Wartość dla wiersza 4: M20x2.5
    Uwaga: Metryczne nakrętki T są określone przez wymiary gniazda i rozmiar gwintu otworu gwintowanego. Wartość Rozmiar wprowadzona powyżej jest określeniem gwintu dla jednego rozmiaru gniazda T. Ćwiczenie nie omawia wszystkich rozmiarów gniazd.
  11. Kliknij przycisk OK, aby zapisać dodane wiersze i kluczowe kolumny do definicji elementu iFeature.
  12. Zapisz i zamknij plik tutorial_TSlot.ide.

Wstecz | Dalej