Automatyczne wymiary szkicu są domyślnie wyłączone. Są one wyświetlane, jeśli w rodzinie jest przynajmniej jeden wymiar sparametryzowany.
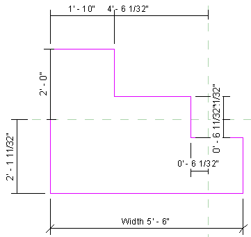
Należy zwrócić uwagę, że na poniższym rysunku znajduje się wymiar dodany do tej geometrii, lecz nie ma on etykiety.

Żadne automatyczne wymiary szkicu nie są widoczne.
Aby włączyć widoczność automatycznych wymiarów szkicu
panel Grafika
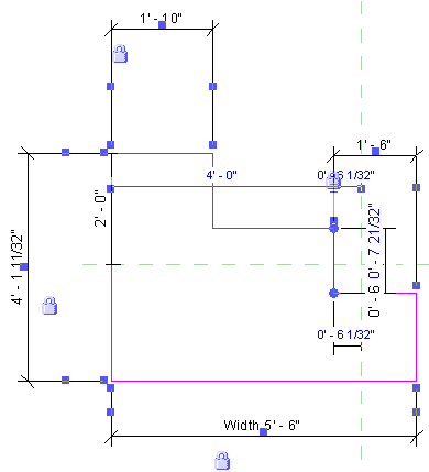
(Widoczność/Grafika) lub wpisz skrót VG. Zostaną wyświetlone automatyczne wymiary szkicu.

W programie Revit znane jest teraz położenie każdej linii tej geometrii względem płaszczyzn odniesienia lub innych linii szkicu.
Automatycznie wymiary szkicu są zastępowane dodawanymi wymiarami zablokowanymi, tak jak pokazano na rysunku.
