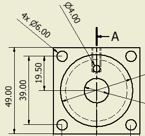
Em alguns casos, o aspecto de determinadas anotações é incorreto e não é desejado que todas as anotações tenham este aspecto. Neste tópico, é criado um estilo que oculta os zeros à direita.

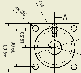
Exibir, desative a seleção de Zeros à esquerda. Clique em Salvar e, a seguir, clique em Concluir.
Formato
Lista de estilos, clique em Modificado- Sem zeros à esquerda (ISO). 