Inserção de cotas

Neste exercício, usaremos o comando geral Cotas. O Autodesk Inventor LT inclui também outros comandos de cota únicos, que não são descritos neste tutorial. À medida em que você avança, é possível que você decida que uma das cotas (ou anotações) inseridas não lhe satisfaz. Para excluir uma cota ou anotação já inserida, selecione o comando Desfazer na barra de ferramentas de acesso rápido. Também é possível selecionar a cota e pressionar a teclaDel, ou clicar com o botão direito e selecionar Excluir no menu de contexto exibido.

Nota: Nos seguintes passos, presume-se que você cancelou a seleção de Editar cota ao criar na guia Desenho da caixa de diálogo Opções do aplicativo, como indicado nos pré-requisitos deste tutorial. Se não o fez, você verá uma caixa de diálogo de edição, exibida após clicar para inserir a cada cota. Você pode continuar este tutorial sem alterar a configuração padrão, para isso, clique sempre em OK quando for aberta esta caixa de diálogo. No entanto, é aconselhável alterar os ajustes padrão.
  1. Na faixa de opções, clique na guia Anotar painel Cota Cota .
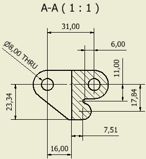
  2. Situe o cursor sobre a extensão superior da marca de centro vertical do furo do extremo esquerdo da vista de seção.
  3. Quando aparecem os dois círculos de cor verde e a linha vertical é exibida realçada, clique para selecionar a linha vertical da marca de centro como extensão esquerda da cota.
  4. Situe o cursor sobre a extensão superior da marca de centro vertical do furo do extremo direito da vista de seção.
  5. Quando aparecem os dois círculos de cor verde e a linha vertical é exibida realçada, clique para selecionar a linha vertical da marca de centro como extensão direita da cota.
  6. Observe que, conforme você move o cursor, as linhas de referência da cota são ajustadas. Clique para posicionar a cota.

    Ainda que você só tenha inserido uma cota, o comando de cota segue ativo.

  7. Situe o cursor sobre a extensão inferior da marca de centro vertical do furo do extremo esquerdo da vista de seção.
  8. Quando aparecem os dois círculos de cor verde e a linha vertical é exibida realçada, clique para selecionar a linha vertical da marca de centro como extensão esquerda da cota.
  9. Situe o cursor sobre a extensão inferior da linha vertical que representa o material de corte.
  10. Para selecionar a extensão direita da cota, clique quando a linha for exibida realçada e o círculo de cor verde for aparecer.
  11. Mova o cursor para selecionar uma posição e clique para inserir a cota de 16 mm.
  12. Continue inserindo cotas horizontais ou verticais nas vistas de seção, frontal, esquerda e superior. Clique na tecla Esc para finalizar o comando de cota.
  13. Após inserir várias cotas, é possível que você decida mover uma delas. Sem ativar nenhum comando, situe o cursor sobre o valor da cota que você deseja mover. Quando a cota for ressaltada, clique e arraste o valor da cota (para cima e para baixo ou para esquerda e direita) para um uma nova localização. Também é possível clicar e arrastar qualquer um dos controladores de edição com um círculo verde para executar outras edições na cota.

Anterior | Avançar