Переопределение стилей аннотаций

Некоторые аннотации иногда отображаются неверно, и вы не хотите, чтобы все аннотации выглядели таким образом. В этом разделе мы создадим стиль со скрытыми замыкающими нулями.

  1. Щелкните правой кнопкой мыши и выберите Повторить редактирование стилей..
  2. Раскройте узел "Размеры", щелкните правой кнопкой Измененный (ISO) и выберите Создать стиль. В поле "Имя" введите Измененный — без замыкающих нулей (ISO)и щелкните ОК.
  3. На вкладке Единицы, панель Отображение, снимите флажок Замыкающие нули. Нажмите кнопку Сохранить, а затем Закрыть.
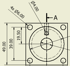
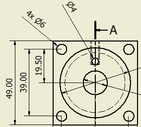
  4. В базовом виде выделите размеры отверстий.
  5. На вкладке "Аннотации" панели "Формат" всписке "Стили" выберите "Измененный без замыкающих нулей (ISO)".

Назад | Далее