Нанесение размеров

В этом упражнении используется общая команда Размер. Autodesk Inventor LT также предоставляет некоторые уникальные команды нанесения размеров, которые не рассматриваются в этом учебном пособии. В ходе работы может оказаться, что нанесенный размер (или другое пояснение) не подходит. Чтобы удалить уже размещенный размер или аннотацию, выберите команду Отменить на панели "Быстрый доступ". Пользователь также может выбрать размер и нажать клавишуDel или нажать правую кнопку мыши, а затем выбрать команду Удалить в контекстном меню.

Прим.: Выполнение следующих действий предполагает отключение параметра Редактировать размеры при нанесении в диалоговом окне "Параметры приложения" на вкладке Чертеж. Действия по отключению описаны в разделе "Необходимые условия" данного учебного пособия. Если эта операция не была выполнена, то при вставке размера отобразится диалоговое окно "Редактировать". Пользователь может продолжить выполнение заданий данного учебного пособия без изменения настроек по умолчанию. При этом каждый раз при отображении этого диалогового окна следует нажимать кнопку ОК. Тем не менее, рекомендуется изменить настройки по умолчанию.
  1. Выберите на ленте вкладку «Пояснение» панель «Размеры» «Размеры» .
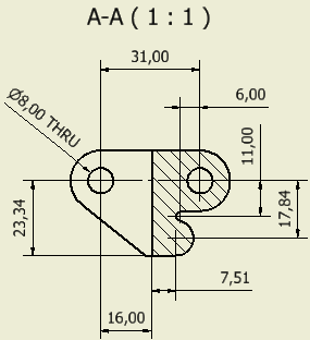
  2. Переместите курсор в самую верхнюю точку границы вертикального маркера центра крайнего левого отверстия на сечении.
  3. После появления двух зеленых кружков и выделения вертикального отрезка щелчком выберите этот вертикальный отрезок маркера центра как левую выносную линию данного размера.
  4. Переместите курсор в самую верхнюю точку границы вертикального маркера центра крайнего правого отверстия на виде сечения.
  5. После появления двух зеленых кружков и выделения вертикального отрезка щелчком выберите этот вертикальный отрезок маркера центра как правую выносную линию данного размера.
  6. Обратите внимание, что при перемещении курсора выносные линии корректируются. Щелчком левой кнопки мыши разместите размер.

    Команда Размеры по-прежнему активна несмотря на то, что один размер уже размещен.

  7. Переместите курсор в самую нижнюю точку границы вертикального маркера центра крайнего левого отверстия на сечении.
  8. После появления двух зеленых кружков и выделения вертикального отрезка щелчком выберите этот вертикальный отрезок маркера центра как левую выносную линию данного размера.
  9. Переместите курсор в самую нижнюю точку границы вертикального отрезка, представляющего разрезанный материал.
  10. Чтобы выбрать правую границу размера, щелкните по ней, когда отрезок выделен, и появились два зеленых кружка.
  11. Переместите курсор для выбора положения, а затем нажмите левую кнопку мыши, чтобы нанести размер 16 мм.
  12. Продолжите нанесение горизонтальных и вертикальных размеров на сечение, виды спереди, слева и сверху. Для завершения команды нанесения размеров, нажмите клавишу Esc.
  13. После нанесения нескольких размеров может потребоваться переместить какой-либо размер. Завершите все активные команды и наведите курсор на значение размера, который необходимо переместить. После выделения размера перетащите значение размера (вверх/вниз или влево/вправо) в новое положение. Также можно перетащить любую из ручек захватов для зеленых кружков, чтобы изменить другие размеры.

Назад | Далее