对导线编组

在现有导线中插入连接器。

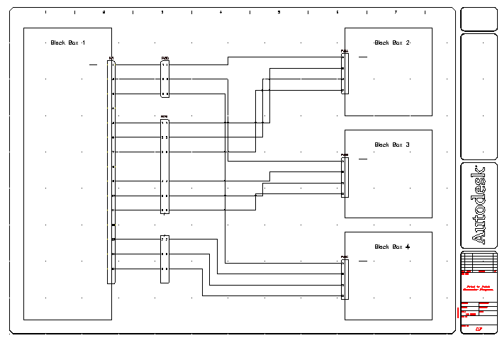
由于您已将连接器连接在一起,现在可以插入导线内连接器来对导线编组。

插入导线内连接器

  1. 单击“原理图”选项卡 “插入元件”面板 “插入连接器”下拉列表 “插入连接器” 查找
  2. 在“插入连接器”对话框中,指定:

    引脚间距:  1.0

    引脚数:  3

    位于导线交叉处

    引脚列表:  1

    全部插入

  3. 单击“详细信息”。
  4. 在“类型”区域中,清除“添加分割线”框。
  5. 在“显示”区域中,将“插头”设置为“右”,将“引脚”设置为“两端”。
  6. 在“大小”区域中,将“插头”设置为“0.325”。
  7. 单击“插入”。
  8. 按如下所述对提示做出响应:

    指定插入点或 [Z=缩放,P=平移,X=导线交叉,V=水平/垂直,TAB=翻转]:

    进行相应选择以将连接器放置在连接到 PJ1,引脚 1~3 的导线上

  9. 单击“原理图”选项卡 “插入元件”面板 “插入连接器”下拉列表 “插入连接器” 查找
  10. 在“插入连接器”对话框中,指定:

    引脚间距:  1.0

    引脚数:  9

    位于导线交叉处

    引脚列表:  1

    允许使用分隔符/打断符

  11. 单击“插入”。
  12. 按如下所述对提示做出响应:

    指定插入点或 [Z=缩放,P=平移,X=导线交叉,V=水平/垂直,TAB=翻转]: 

    进行相应选择以将连接器从 PJ1,引脚 5 处开始放置

    请注意,跨越导线时,连接器是如何扩展的。

  13. 在“自定义引脚间距/打断”对话框中,单击“插入下一个连接”。

    该对话框中将显示迄今已插入的连接器引脚。继续单击“插入下一个连接”,直到放置了九个连接中的六个。

  14. 当“自定义引脚间距/打断”对话框中显示“迄今插入的: 6 个 (共 9 个)”,单击“立即打断符号”。
  15. 按如下所述对提示做出响应:

    指定插入点或 [Z=缩放,P=平移,X=导线交叉,V=水平/垂直,TAB=翻转]:

    进行相应选择以将连接器从 PJ1,引脚 13 处开始放置

  16. 在“连接器布局”对话框中,选择“全部插入”。
  17. 单击“确定”。
    注: 另一种方法是插入整个连接器,然后使用“拆分连接器”工具打断现有连接器。
  18. 单击“原理图”选项卡 “插入元件”面板 “虚连接线”下拉列表 “用虚线链接元件” 查找
  19. 按如下所述对提示做出响应:

    要从其进行链接的元件:  选择 PJ6 (1) 的底部

    要链接到的元件:  选择 PJ6 (2) 的顶部,单击鼠标右键