基于对象而不是默认值进行距离捕捉的步骤
单击
“常用”选项卡
“标注”面板
“增强尺寸标注”
。
查找
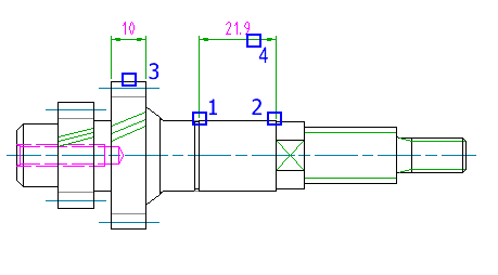
指定第一条 (1) 和第二条 (2) 尺寸界线的起点。
当提示输入尺寸线位置时,请输入 P。
选择要基于其进行距离捕捉的对象 (3)。
将鼠标指针移动到所需的标注位置和方位。单击以放置尺寸线 (4)。
注:
当尺寸线捕捉到至对象的预设距离时,它将变为红色。
使用“增强尺寸标注”功能区上下文选项卡中的设置根据需要编辑标注,或者单击
“增强尺寸标注”选项卡
“预定义”下拉列表
,并选择预定义标注文字模板。
单击
“增强尺寸标注”选项卡
“关闭”面板
“关闭编辑器”
。
相关概念
关于增强尺寸标注
关于创建线性标注
相关任务
临时更改距离捕捉值的步骤
临时关闭距离捕捉的步骤
配置距离捕捉设置的步骤
相关参考
用于创建增强尺寸标注的命令