查看和修改结构框架图元的剖面形状的尺寸参数值。
这些属性创建自图元的剖面形状的族类别参数。
| 剖面形状 | 可用的形状尺寸的标注参数 |
|---|---|
管道标准(热轧钢) ![]() |
D. 直径:圆形剖面形状的外部直径。 T. 墙设计厚度:剖面形状的内表面和外表面之间的垂直设计厚度。 t. 墙公称厚度:剖面形状的内表面和外表面之间的平均垂直距离。 y. 质心水平:沿水平轴从剖面形状质心到左端的距离。 z. 质心垂直:沿垂直轴从剖面形状质心到下端的距离。 alpha。 主轴角度:主轴和横截面参照平面之间的旋转角度。这是作为“结构分析”族参数列出的。 |
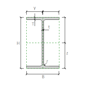
工字型平行翼缘(热轧钢) ![]() |
B. 宽度:剖面形状的外部宽度。 H. 高度:剖面形状的外部高度。 T. 翼缘厚度:剖面形状中的翼缘的外表面之间的距离。 t. 腹杆厚度:剖面形状中的腹杆的外表面之间的距离。 r. 腹杆圆角:腹杆和翼缘之间的圆角的半径。 y. 质心水平:沿水平轴从剖面形状质心到左端的距离。 z. 质心垂直:沿垂直轴从剖面形状质心到下端的距离。 alpha。 主轴角度:主轴和横截面参照平面之间的旋转角度。这是作为“结构分析”族参数列出的。 |
工字型倾斜翼缘(热轧钢) ![]() |
B. 宽度:剖面形状的外部宽度。 H. 高度:剖面形状的外部高度。 T. 翼缘厚度:剖面形状中的翼缘的外表面之间的距离。 t. 腹杆厚度:剖面形状中的腹杆的外表面之间的距离。 r1. 腹杆圆角:腹杆和翼缘之间的圆角的半径。 r2. 翼缘圆角:剖面形状中的翼缘末端的圆角的半径。 y. 质心水平:沿水平轴从剖面形状质心到左端的距离。 z. 质心垂直:沿垂直轴从剖面形状质心到下端的距离。 alpha。 主轴角度:主轴和横截面参照平面之间的旋转角度。这是作为“结构分析”族参数列出的。 |
工字型宽翼缘(热轧钢) ![]() |
B. 宽度:剖面形状的外部宽度。 H. 高度:剖面形状的外部高度。 T. 翼缘厚度:剖面形状中的翼缘的外表面之间的距离。 t. 腹杆厚度:剖面形状中的腹杆的外表面之间的距离。 r. 腹杆圆角:腹杆和翼缘之间的圆角的半径。 y. 质心水平:沿水平轴从剖面形状质心到左端的距离。 z. 质心垂直:沿垂直轴从剖面形状质心到下端的距离。 alpha。 主轴角度:主轴和横截面参照平面之间的旋转角度。这是作为“结构分析”族参数列出的。 |
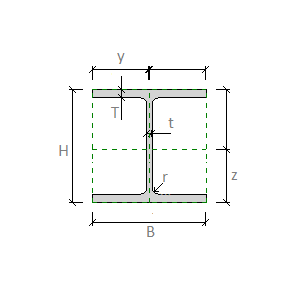
C 型槽钢平行翼缘(热轧钢) ![]() |
B. 宽度:剖面形状的外部宽度。 H. 高度:剖面形状的外部高度。 T. 翼缘厚度:剖面形状中的翼缘的外表面之间的距离。 t. 腹杆厚度:剖面形状中的腹杆的外表面之间的距离。 r. 腹杆圆角:腹杆和翼缘之间的圆角的半径。 y. 质心水平:沿水平轴从剖面形状质心到左端的距离。 z. 质心垂直:沿垂直轴从剖面形状质心到下端的距离。 alpha。 主轴角度:主轴和横截面参照平面之间的旋转角度。这是作为“结构分析”族参数列出的。 |
C 型槽钢倾斜翼缘(热轧钢) ![]() |
B. 宽度:剖面形状的外部宽度。 H. 高度:剖面形状的外部高度。 T. 翼缘厚度:剖面形状中的翼缘的外表面之间的距离。 t. 腹杆厚度:剖面形状中的腹杆的外表面之间的距离。 r1. 腹杆圆角:腹杆和翼缘之间的圆角的半径。 r2. 翼缘圆角:剖面形状中的翼缘末端的圆角的半径。 y. 质心水平:沿水平轴从剖面形状质心到左端的距离。 z. 质心垂直:沿垂直轴从剖面形状质心到下端的距离。 alpha。 主轴角度:主轴和横截面参照平面之间的旋转角度。这是作为“结构分析”族参数列出的。 |
L-角钢(热轧钢) ![]() |
B. 宽度:剖面形状的外部宽度。 H. 高度:剖面形状的外部高度。 T. 翼缘厚度:剖面形状中的翼缘的外表面之间的距离。 t. 腹杆厚度:剖面形状中的腹杆的外表面之间的距离。 r1. 腹杆圆角:腹杆和翼缘之间的圆角的半径。 r2. 翼缘圆角:剖面形状中的翼缘末端的圆角的半径。 y. 质心水平:沿水平轴从剖面形状质心到左端的距离。 z. 质心垂直:沿垂直轴从剖面形状质心到下端的距离。 alpha。 主轴角度:主轴和横截面参照平面之间的旋转角度。这是作为“结构分析”族参数列出的。 |
矩形栏 ![]() |
B. 宽度:剖面形状的外部宽度。 H. 高度:剖面形状的外部高度。 y. 质心水平:沿水平轴从剖面形状质心到左端的距离。 z. 质心垂直:沿垂直轴从剖面形状质心到下端的距离。 alpha。 主轴角度:主轴和横截面参照平面之间的旋转角度。这是作为“结构分析”族参数列出的。 |
圆形栏 ![]() |
D. 直径:圆形剖面形状的外部直径。 y. 质心水平:沿水平轴从剖面形状质心到左端的距离。 z. 质心垂直:沿垂直轴从剖面形状质心到下端的距离。 alpha。 主轴角度:主轴和横截面参照平面之间的旋转角度。这是作为“结构分析”族参数列出的。 |
矩形 HSS(冷成形钢) ![]() |
B. 宽度:剖面形状的外部宽度。 H. 高度:剖面形状的外部高度。 T. 墙设计厚度:剖面形状的内表面和外表面之间的垂直设计厚度。 t. 墙公称厚度:剖面形状的内表面和外表面之间的平均垂直距离。 r1. 内圆角:矩形空心结构剖面形状的内圆角的半径。 r2. 外圆角:矩形空心结构剖面形状的外圆角的半径。 y. 质心水平:沿水平轴从剖面形状质心到左端的距离。 z. 质心垂直:沿垂直轴从剖面形状质心到下端的距离。 alpha。 主轴角度:主轴和横截面参照平面之间的旋转角度。这是作为“结构分析”族参数列出的。 |
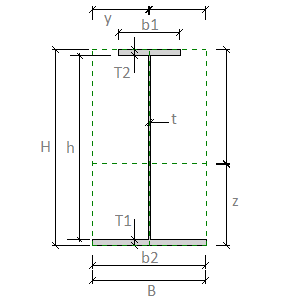
工字型焊接(堞形和焊接钢) ![]() |
B. 宽度:剖面形状的外部宽度。 H. 高度:剖面形状的外部高度。 T2. 顶部翼缘厚度:堞形或焊接图元剖面形状中的顶部翼缘的外表面之间的距离。 b1. 顶部翼缘宽度:堞形或焊接图元剖面形状中的顶部翼缘的外部宽度。 T1. 底部翼缘厚度:堞形或焊接图元剖面形状中的底部翼缘的外表面之间的距离。 b2. 底部翼缘宽度:堞形或焊接图元剖面形状中的底部翼缘的外部宽度。 t. 腹杆厚度:剖面形状中的腹杆的外表面之间的距离。 h. 腹杆高度:剖面形状中的翼缘之间的距离(沿腹杆)。 y. 质心水平:沿水平轴从剖面形状质心到左端的距离。 z. 质心垂直:沿垂直轴从剖面形状质心到下端的距离。 alpha。 主轴角度:主轴和横截面参照平面之间的旋转角度。这是作为“结构分析”族参数列出的。 |
圆形 HSS(冷成形钢) ![]() |
D. 直径:圆形剖面形状的外部直径。 T. 墙设计厚度:剖面形状的内表面和外表面之间的垂直设计厚度。 t. 墙公称厚度:剖面形状的内表面和外表面之间的平均垂直距离。 y. 质心水平:沿水平轴从剖面形状质心到左端的距离。 z. 质心垂直:沿垂直轴从剖面形状质心到下端的距离。 alpha。 主轴角度:主轴和横截面参照平面之间的旋转角度。这是作为“结构分析”族参数列出的。 |
工字型拆分平行翼缘(热轧钢) ![]() |
B. 宽度:剖面形状的外部宽度。 H. 高度:剖面形状的外部高度。 T. 翼缘厚度:剖面形状中的翼缘的外表面之间的距离。 t. 腹杆厚度:剖面形状中的腹杆的外表面之间的距离。 r. 腹杆圆角:腹杆和翼缘之间的圆角的半径。 y. 质心水平:沿水平轴从剖面形状质心到左端的距离。 z. 质心垂直:沿垂直轴从剖面形状质心到下端的距离。 alpha。 主轴角度:主轴和横截面参照平面之间的旋转角度。这是作为“结构分析”族参数列出的。 |
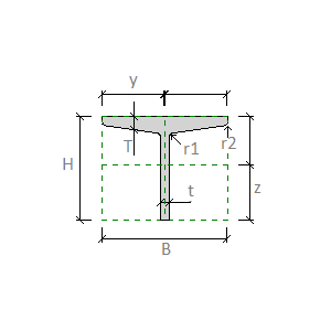
工字型拆分倾斜翼缘(热轧钢) ![]() |
B. 宽度:剖面形状的外部宽度。 H. 高度:剖面形状的外部高度。 T. 翼缘厚度:剖面形状中的翼缘的外表面之间的距离。 t. 腹杆厚度:剖面形状中的腹杆的外表面之间的距离。 r1. 腹杆圆角:腹杆和翼缘之间的圆角的半径。 r2. 翼缘圆角:剖面形状中的翼缘末端的圆角的半径。 y. 质心水平:沿水平轴从剖面形状质心到左端的距离。 z. 质心垂直:沿垂直轴从剖面形状质心到下端的距离。 alpha。 主轴角度:主轴和横截面参照平面之间的旋转角度。这是作为“结构分析”族参数列出的。 |
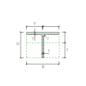
T 形结构钢(热轧钢) ![]() |
B. 宽度:剖面形状的外部宽度。 H. 高度:剖面形状的外部高度。 T. 翼缘厚度:剖面形状中的翼缘的外表面之间的距离。 t. 腹杆厚度:剖面形状中的腹杆的外表面之间的距离。 r1. 腹杆圆角:腹杆和翼缘之间的圆角的半径。 r2. 翼缘圆角:剖面形状中的翼缘末端的圆角的半径。 y. 质心水平:沿水平轴从剖面形状质心到左端的距离。 z. 质心垂直:沿垂直轴从剖面形状质心到下端的距离。 alpha。 主轴角度:主轴和横截面参照平面之间的旋转角度。这是作为“结构分析”族参数列出的。 |