管道大小调整示例

以下图像显示各种管道大小调整方法的结果。

摩擦和速度

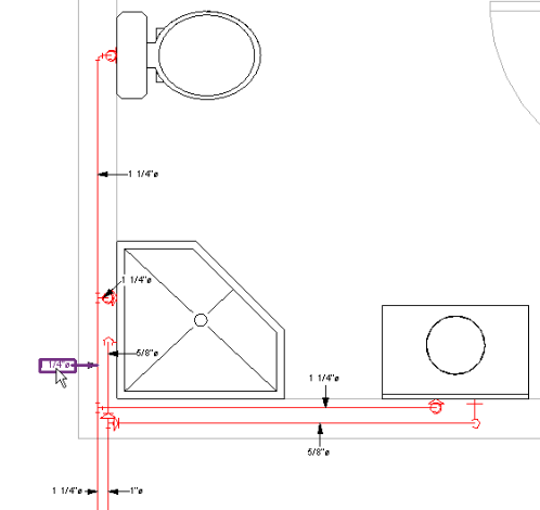
调整大小之前

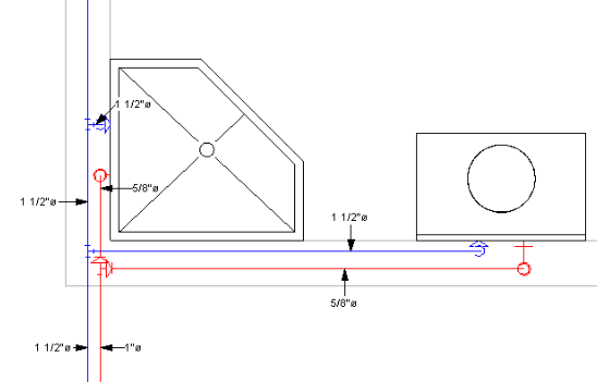
调整大小之后

仅限摩擦

调整大小之前

调整大小之后

摩擦和速度 - 较大支管

调整大小之前

调整大小之后

摩擦和速度 - 匹配连接件大小

调整大小之前

调整大小之后

仅限速度

调整大小之前

调整大小之后

系统检查器

单个管道

流向图