以物件而非預設為基礎進行距離鎖點的步驟
按一下
「常用」頁籤
「標註」面板
「Power 標註」
。
查找
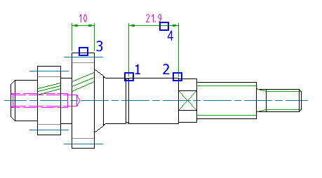
指定第一個 (1) 和第二個 (2) 延伸線原點。
提示您輸入標註線位置時,請輸入 P。
選取距離鎖點要做為基準的物件 (3)。
將指標移動到所需的標註位置和方位。按一下以放置標註線 (4)。
註:
當標註線鎖點至自物件的預置距離時,將變為紅色。
依需要使用「Power 標註」功能區關聯式頁籤上的設定編輯標註,或按一下
「Power 標註」頁籤
「事先定義」下拉清單
。
並選取事先定義的標註文字樣板。
按一下
「Power 標註」頁籤
「關閉」面板
「關閉編輯器」
。
相關概念
關於 Power 標註
關於建立線性標註
相關工作
暫時變更距離鎖點值的步驟
暫時關閉距離鎖點的步驟
規劃距離鎖點設定的步驟
相關參考
用於建立 Power 標註的指令