拉伸選取的幾何圖形。與所選幾何圖形相關聯的約束會影響拉伸作業。
- 按一下「草圖」頁籤
「修改」面板
「拉伸」
。將開啟「拉伸」對話方塊,其中「選取」指令已啟用。
- 在圖形視窗中,選取幾何圖形,或使用窗選選取多組幾何圖形。按一下右鍵,然後選擇「繼續」以關閉「選取」指令,然後在「拉伸」對話方塊中啟用「基準點」。
提示: 如果在選取中心點之前只需選取一個幾何圖形,請使用「最佳化單一選取」。然後,在選取第一個幾何圖形後,會自動啟用「基準點」指令。
- 選擇定義拉伸作業的基準點和端點的方式:
使用指標拉伸
- 若要設定拉伸作業的基準點,請在圖形視窗中按一下。動態預覽會顯示表示原始幾何圖形的虛線,和表示旋轉幾何圖形的實線。所選幾何圖形會隨指標,以基準點選取所建立的固定偏移拉伸。
- 在圖形視窗中拖曳指標。無須按住滑鼠按鈕。移動指標時,狀態列會展示其絕對草圖座標。新位置和造型會動態更新。
提示: 將指標拖曳至約略位置時,端點將鎖點至最近的垂直或水平軸線。若要取代此鎖點功能,請在按住
Ctrl 的同時進行拖曳,或在「應用程式選項」

「草圖」頁籤上,清除「鎖點至格線」。
- 如果約束阻止拉伸作業,請按一下「更多」
,然後設定取代以放鬆尺度約束或中斷幾何約束。
- 按一下以設定端點。
提示: 按一下退格鍵可重置端點。
使用精確輸入進行拉伸
- 若要開啟「精確輸入」工具列,請選取「精確輸入」勾選方塊。
- 輸入基準點的座標,然後按 Enter 鍵。動態預覽會顯示表示原始幾何圖形的虛線,和表示旋轉幾何圖形的實線。所選幾何圖形會隨指標,以基準點選取所建立的固定偏移拉伸。狀態列顯示指標的絕對草圖座標。
- 如果約束阻止拉伸作業,請按一下「更多」
,然後設定取代以放鬆尺度約束或中斷幾何約束。
- 在「精確輸入」工具列中,輸入端點座標,然後按 Enter 鍵。
提示: 您可以使用「精確輸入」工具列將指標移動約束為特定的 X 或 Y 值。例如,如果在「X」中輸入 6.5,則可以在將 X 約束到 6.5 的情況下,在 Y 方向上拖曳指標。然後在「Y」中輸入值,或在圖形視窗中按一下以設定點。
提示: 按一下退格鍵可重置端點。
- 按一下右鍵並選取「完成」,在對話方塊中按一下「完成」,或按 Esc 鍵。
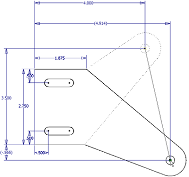
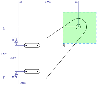
拉伸範例
「拉伸」指令處於作用中狀態,並使用窗選方式選取兩條線和連接弧。
在圖形視窗中選取幾何圖形,並在「拉伸」對話方塊中選取基準點。幾何圖形將拉伸至其新位置。放鬆所有必要的標註。原始標註正常顯示,而新標註會顯示在括號中。其中僅兩個標註發生了變更。虛線指示幾何圖形的原始位置。