關於圖說標籤
圖說標籤是一種標記父系視圖中的圖說位置的註解元素。
使用族群編輯器可建立圖說標頭族群,以定義圖說標頭的造型及其包含的資訊。
在專案中,建立圖說標籤以指定要使用的圖說標頭族群及圖說標示圈的角部半徑。
若要定義圖說標示圈和引線的線粗、線條顏色和線型式,請按一下「管理」頁籤
「設定」面板
「其他設定」下拉式清單,然後選取適當的工具。
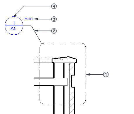
圖說標籤由以下部分組成:
圖說標示圈
。在父系視圖部分周圍繪製的用於定義圖說區域的線。
引線
。一條將圖說標頭連接至圖說標示圈的線。
參考標示
。僅用於參考圖說。顯示在圖說標籤中的用於提供有關圖說資訊的文字。
圖說標頭
。識別圖說的符號。在圖紙上放置圖說時,依預設,圖說標頭會顯示相應的詳圖編號和圖紙號碼。
上層主題:
圖說視圖
相關工作
建立圖說標籤