檢閱和修改結構框架元素的剖面造型標註參數的值。
這些性質是從元素的剖面造型族群品類參數所建立。
| 剖面造型 | 可用的造型標註參數 |
|---|---|
管標準 (熱軋鋼) ![]() |
D. 直徑: 外部直徑的圓形剖面造型。 T. 牆設計厚度: 剖面造型之內部與外部表面間的垂直設計厚度。 t. 牆標稱厚度: 剖面造型之內部與外部表面間的平均垂直距離。 y. 水平距心: 剖面造型距心與水平軸左端點間的距離。 z. 垂直距心: 剖面造型距心與垂直軸下端點間的距離。 alpha. 主軸角度: 主軸和斷面參考平面間的旋轉角度。此會列示做為結構分析的族群參數。 |
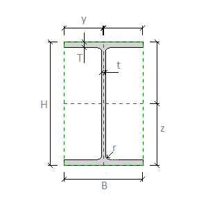
I 型平行凸緣 (熱軋鋼) ![]() |
B. 寬度: 剖面造型的外部寬度。 H. 高度: 剖面造型的外部高度。 T. 凸緣厚度: 剖面造型中凸緣外部表面間的距離。 t. 腹板厚度: 剖面造型中腹板外部表面間的距離。 r. 腹板圓角: 腹板和凸緣間圓角的半徑。 y. 水平距心: 剖面造型距心與水平軸左端點間的距離。 z. 垂直距心: 剖面造型距心與垂直軸下端點間的距離。 alpha. 主軸角度: 主軸和斷面參考平面間的旋轉角度。此會列示做為結構分析的族群參數。 |
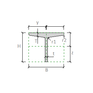
I 型斜凸緣 (熱軋鋼) ![]() |
B. 寬度: 剖面造型的外部寬度。 H. 高度: 剖面造型的外部高度。 T. 凸緣厚度: 剖面造型中凸緣外部表面間的距離。 t. 腹板厚度: 剖面造型中腹板外部表面間的距離。 r1. 腹板圓角: 腹板和凸緣間圓角的半徑。 r2. 凸緣圓角: 剖面造型中凸緣尾端圓角的半徑。 y. 水平距心: 剖面造型距心與水平軸左端點間的距離。 z. 垂直距心: 剖面造型距心與垂直軸下端點間的距離。 alpha. 主軸角度: 主軸和斷面參考平面間的旋轉角度。此會列示做為結構分析的族群參數。 |
I 型寬凸緣 (熱軋鋼) ![]() |
B. 寬度: 剖面造型的外部寬度。 H. 高度: 剖面造型的外部高度。 T. 凸緣厚度: 剖面造型中凸緣外部表面間的距離。 t. 腹板厚度: 剖面造型中腹板外部表面間的距離。 r. 腹板圓角: 腹板和凸緣間圓角的半徑。 y. 水平距心: 剖面造型距心與水平軸左端點間的距離。 z. 垂直距心: 剖面造型距心與垂直軸下端點間的距離。 alpha. 主軸角度: 主軸和斷面參考平面間的旋轉角度。此會列示做為結構分析的族群參數。 |
C 型凹槽平行凸緣 (熱軋鋼) ![]() |
B. 寬度: 剖面造型的外部寬度。 H. 高度: 剖面造型的外部高度。 T. 凸緣厚度: 剖面造型中凸緣外部表面間的距離。 t. 腹板厚度: 剖面造型中腹板外部表面間的距離。 r. 腹板圓角: 腹板和凸緣間圓角的半徑。 y. 水平距心: 剖面造型距心與水平軸左端點間的距離。 z. 垂直距心: 剖面造型距心與垂直軸下端點間的距離。 alpha. 主軸角度: 主軸和斷面參考平面間的旋轉角度。此會列示做為結構分析的族群參數。 |
C 型凹槽斜凸緣 (熱軋鋼) ![]() |
B. 寬度: 剖面造型的外部寬度。 H. 高度: 剖面造型的外部高度。 T. 凸緣厚度: 剖面造型中凸緣外部表面間的距離。 t. 腹板厚度: 剖面造型中腹板外部表面間的距離。 r1. 腹板圓角: 腹板和凸緣間圓角的半徑。 r2. 凸緣圓角: 剖面造型中凸緣尾端圓角的半徑。 y. 水平距心: 剖面造型距心與水平軸左端點間的距離。 z. 垂直距心: 剖面造型距心與垂直軸下端點間的距離。 alpha. 主軸角度: 主軸和斷面參考平面間的旋轉角度。此會列示做為結構分析的族群參數。 |
L 角 (熱軋鋼) ![]() |
B. 寬度: 剖面造型的外部寬度。 H. 高度: 剖面造型的外部高度。 T. 凸緣厚度: 剖面造型中凸緣外部表面間的距離。 t. 腹板厚度: 剖面造型中腹板外部表面間的距離。 r1. 腹板圓角: 腹板和凸緣間圓角的半徑。 r2. 凸緣圓角: 剖面造型中凸緣尾端圓角的半徑。 y. 水平距心: 剖面造型距心與水平軸左端點間的距離。 z. 垂直距心: 剖面造型距心與垂直軸下端點間的距離。 alpha. 主軸角度: 主軸和斷面參考平面間的旋轉角度。此會列示做為結構分析的族群參數。 |
矩形鋼 ![]() |
B. 寬度: 剖面造型的外部寬度。 H. 高度: 剖面造型的外部高度。 y. 水平距心: 剖面造型距心與水平軸左端點間的距離。 z. 垂直距心: 剖面造型距心與垂直軸下端點間的距離。 alpha. 主軸角度: 主軸和斷面參考平面間的旋轉角度。此會列示做為結構分析的族群參數。 |
圓棒鋼 ![]() |
D. 直徑: 外部直徑的圓形剖面造型。 y. 水平距心: 剖面造型距心與水平軸左端點間的距離。 z. 垂直距心: 剖面造型距心與垂直軸下端點間的距離。 alpha. 主軸角度: 主軸和斷面參考平面間的旋轉角度。此會列示做為結構分析的族群參數。 |
矩形 HSS (冷成形鋼) ![]() |
B. 寬度: 剖面造型的外部寬度。 H. 高度: 剖面造型的外部高度。 T. 牆設計厚度: 剖面造型之內部與外部表面間的垂直設計厚度。 t. 牆標稱厚度: 剖面造型之內部與外部表面間的平均垂直距離。 r1.內圓角: 空心矩形結構剖面造型的內圓角半徑。 r2.外圓角: 空心矩形結構剖面造型的外圓角半徑。 y. 水平距心: 剖面造型距心與水平軸左端點間的距離。 z. 垂直距心: 剖面造型距心與垂直軸下端點間的距離。 alpha. 主軸角度: 主軸和斷面參考平面間的旋轉角度。此會列示做為結構分析的族群參數。 |
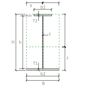
I 型熔接 (城堡形和熔接鋼) ![]() |
B. 寬度: 剖面造型的外部寬度。 H. 高度: 剖面造型的外部高度。 T2. 頂端凸緣厚度: 城堡形或熔接元素之剖面造型中頂端凸緣外部表面間的距離。 b1. 頂端凸緣寬度: 城堡形或熔接元素之剖面造型中頂端凸緣的外部寬度。 T1. 底部凸緣厚度: 城堡形或熔接元素之剖面造型中底部凸緣外部表面間的距離。 b2. 底部凸緣寬度: 城堡形或熔接元素之剖面造型中底部凸緣的外部寬度。 t. 腹板厚度: 剖面造型中腹板外部表面間的距離。 h. 腹板高度: 剖面造型中凸緣間腹板的距離。 y. 水平距心: 剖面造型距心與水平軸左端點間的距離。 z. 垂直距心: 剖面造型距心與垂直軸下端點間的距離。 alpha. 主軸角度: 主軸和斷面參考平面間的旋轉角度。此會列示做為結構分析的族群參數。 |
圓形 HSS (冷成形鋼) ![]() |
D. 直徑: 外部直徑的圓形剖面造型。 T. 牆設計厚度: 剖面造型之內部與外部表面間的垂直設計厚度。 t. 牆標稱厚度: 剖面造型之內部與外部表面間的平均垂直距離。 y. 水平距心: 剖面造型距心與水平軸左端點間的距離。 z. 垂直距心: 剖面造型距心與垂直軸下端點間的距離。 alpha. 主軸角度: 主軸和斷面參考平面間的旋轉角度。此會列示做為結構分析的族群參數。 |
I 分割平行凸緣 (熱軋鋼) ![]() |
B. 寬度: 剖面造型的外部寬度。 H. 高度: 剖面造型的外部高度。 T. 凸緣厚度: 剖面造型中凸緣外部表面間的距離。 t. 腹板厚度: 剖面造型中腹板外部表面間的距離。 r. 腹板圓角: 腹板和凸緣間圓角的半徑。 y. 水平距心: 剖面造型距心與水平軸左端點間的距離。 z. 垂直距心: 剖面造型距心與垂直軸下端點間的距離。 alpha. 主軸角度: 主軸和斷面參考平面間的旋轉角度。此會列示做為結構分析的族群參數。 |
I 分割斜凸緣 (熱軋鋼) ![]() |
B. 寬度: 剖面造型的外部寬度。 H. 高度: 剖面造型的外部高度。 T. 凸緣厚度: 剖面造型中凸緣外部表面間的距離。 t. 腹板厚度: 剖面造型中腹板外部表面間的距離。 r1. 腹板圓角: 腹板和凸緣間圓角的半徑。 r2. 凸緣圓角: 剖面造型中凸緣尾端圓角的半徑。 y. 水平距心: 剖面造型距心與水平軸左端點間的距離。 z. 垂直距心: 剖面造型距心與垂直軸下端點間的距離。 alpha. 主軸角度: 主軸和斷面參考平面間的旋轉角度。此會列示做為結構分析的族群參數。 |
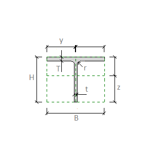
結構 T 形 (熱軋鋼) ![]() |
B. 寬度: 剖面造型的外部寬度。 H. 高度: 剖面造型的外部高度。 T. 凸緣厚度: 剖面造型中凸緣外部表面間的距離。 t. 腹板厚度: 剖面造型中腹板外部表面間的距離。 r1. 腹板圓角: 腹板和凸緣間圓角的半徑。 r2. 凸緣圓角: 剖面造型中凸緣尾端圓角的半徑。 y. 水平距心: 剖面造型距心與水平軸左端點間的距離。 z. 垂直距心: 剖面造型距心與垂直軸下端點間的距離。 alpha. 主軸角度: 主軸和斷面參考平面間的旋轉角度。此會列示做為結構分析的族群參數。 |